直流穩壓電源電子電路設計組成與原理分析
直流穩壓電源的電路組成
直流穩壓電源的主要電路是由直流穩壓電源輸入電磁干擾濾波器(EMI)、直流穩壓電源整流濾波電路、直流穩壓電源功率變換電路、PWM控制器電路、輸出直流穩壓電源整流濾波電路組成。輔助電路有直流穩壓電源輸入過欠壓保護電路、輸出過欠壓保護電路、輸出過流保護電路、輸出短路保護電路等。直流穩壓電源的電路組成方框圖如下:
直流穩壓電源輸入電路的原理及常見電路
AC 直流穩壓電源輸入直流穩壓電源整流濾波電路原理:
①直流穩壓電源防雷電路:當有雷擊,產生高壓經電網導入直流穩壓電源時,由MOV1、MOV2、MOV3:F1、F2、F3、FDG1 組成的電路進行保護。當加在壓敏電阻兩端的電壓超過其工作電壓時,其阻值降低,使高壓能量消耗在壓敏電阻上,若電流過大,F1、F2、F3 會燒毀保護后級電路。
② 直流穩壓電源輸入濾波電路:C1、L1、C2、C3組成的雙π型濾波網絡主要是對直流穩壓電源輸入直流穩壓電源的電磁噪聲及雜波信號進行抑制,防止對直流穩壓電源干擾,同時也防止直流穩壓電源本身產生的高頻雜波對電網干擾。當直流穩壓電源開啟瞬間,要對 C5充電,由于瞬間電流大,加RT1(熱敏電阻)就能有效的防止浪涌電流。因瞬時能量全消耗在RT1電阻上,一定時間后溫度升高后RT1阻值減小(RT1 是負溫系數元件),這時它消耗的能量非常小,后級電路可正常工作。
③ 直流穩壓電源整流濾波電路:交流電壓經BRG1直流穩壓電源整流后,經C5濾波后得到較為純凈的直流電壓。若C5容量變小,輸出的交流紋波將增大。
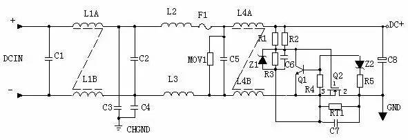
DC 直流穩壓電源輸入濾波電路原理
① 直流穩壓電源輸入濾波電路:C1、L1、C2組成的雙π型濾波網絡主要是對直流穩壓電源輸入直流穩壓電源的電磁噪聲及雜波信號進行抑制,防止對直流穩壓電源干擾,同時也防止直流穩壓電源本身產生的高頻雜波對電網干擾。C3、C4 為安規電容,L2、L3為差模電感。
② R1、R2、R3、Z1、C6、Q1、Z2、R4、R5、Q2、RT1、C7組成抗浪涌電路。在起機的瞬間,由于 C6的存在Q2不導通,電流經RT1構成回路。當C6上的電壓充至Z1的穩壓值時Q2導通。如果C8漏電或后級電路短路現象,在起機的瞬間電流在RT1上產生的壓降增大,Q1導通使 Q2沒有柵極電壓不導通,RT1將會在很短的時間燒毀,以保護后級電路。
直流穩壓電源功率變換電路
MOS管的工作原理:目前應用最廣泛的絕緣柵場效應管是MOSFET(MOS管),是利用半導體表面的電聲效應進行工作的。也稱為表面場效應器件。由于它的柵極處于不導電狀態,所以直流穩壓電源輸入電阻可以大大提高,最高可達105歐姆,MOS管是利用柵源電壓的大小,來改變半導體表面感生電荷的多少,從而控制漏極電流的大小。
常見的原理圖:
工作原理:
R4、C3、R5、R6、C4、D1、D2組成緩沖器,和開關MOS管并接,使開關管電壓應力減少,EMI減少,不發生二次擊穿。在開關管Q1關斷時,變壓器的原邊線圈易產生尖峰電壓和尖峰電流,這些元件組合一起,能很好地吸收尖峰電壓和電流。從 R3測得的電流峰值信號參與當前工作周波的占空比控制,因此是當前工作周波的電流限制。當R5上的電壓達到1V時,UC3842停止工作,開關管Q1立即關斷 。 R1和Q1中的結電容CGS、CGD一起組成RC網絡,電容的充放電直接影響著開關管的開關速度。R1過小,易引起振蕩,電磁干擾也會很大;R1過大,會降低開關管的開關速度。Z1通常將MOS管的GS電壓限制在18V以下,從而保護了MOS管。 Q1的柵極受控電壓為鋸形波,當其占空比越大時,Q1導通時間越長,變壓器所儲存的能量也就越多;當Q1截止時,變壓器通過D1、D2、R5、R4、C3 釋放能量,同時也達到了磁場復位的目的,為變壓器的下一次存儲、傳遞能量做好了準備。IC根據輸出電壓和電流時刻調整著⑥腳鋸形波占空比的大小,從而穩定了整機的輸出電流和電壓。 C4和R6為尖峰電壓吸收回路。
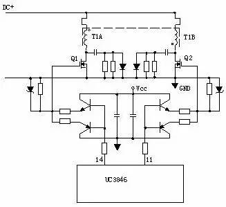
推挽式直流穩壓電源功率變換電路:
Q1Q2將輪流導通。
有驅動變壓器的直流穩壓電源功率變換電路:
T2為驅動變壓器,T1為開關變壓器,TR1為電流環。
輸出直流穩壓電源整流濾波電路:
正激式直流穩壓電源整流電路:
T1為開關變壓器,其初極和次極的相位同相。D1為直流穩壓電源整流二極管,D2為續流二極管,R1、C1、R2、C2為削尖峰電路。L1為續流電感,C4、L2、C5組成π型濾波器。
反激式直流穩壓電源整流電路:
T1為開關變壓器,其初極和次極的相位相反。D1為直流穩壓電源整流二極管,R1、C1為削尖峰電路。L1為續流電感,R2為假負載,C4、L2、C5組成π型濾波器。
同步直流穩壓電源整流電路:
工作原理:當變壓器次級上端為正時,電流經 C2、R5、R6、R7使Q2導通,電路構成回路,Q2 為直流穩壓電源整流管。Q1柵極由于處于反偏而截止。當變壓器次級下端為正時,電流經C3、R4、R2使 Q1導通,Q1為續流管。Q2柵極由于處于反偏而截止。L2為續流電感,C6、L1、C7組成π 型濾波器。R1、C1、R9、C4為削尖峰電路。
- 上一篇:直流穩壓電源過流保護方式比較分析 2017/8/4
- 下一篇:電動車蓄電池使用充電機充電過程中注意事項 2017/8/4
