開關直流電源各功能部分原理分析與計算
1 開關直流電源介紹
此文檔是作為張占松高級開關直流電源設計之后的強化培訓,基于計劃安排,由申工講解了直流電源變壓器設計之后,在此文章中簡單帶過直流電源變壓器設計原理,重點講解直流電源電路設計工作原理和設計過程中關鍵器件計算與選型。
開關直流電源的工作過程相當容易理解,其擁有三個明顯特征:
開關:電力電子器件工作在開關狀態而不是線性狀態
高頻:電力電子器件工作在高頻而不是接近工頻的低頻
直流:開關直流電源輸出的是直流而不是交流 也可以輸出高頻交流如電子直流電源變壓器
1.1 開關直流電源基本組成部分
1.2 開關直流電源分類:
開關直流電源按照拓撲分很多類型:buck boost 正激 反激 半橋 全橋 LLC 等等,但是從本質上區分,開關直流電源只有兩種工作方式:正激:是開關管開通時傳輸能量,反激:開關管關斷時傳輸能量。
下面將以反激直流電源為例進行講解。
1.3 反激開關直流電源簡介
反激又被稱為隔離buck-boost 直流電源電路設計。基本工作原理:開關管打開時直流電源變壓器存儲能量,開關管關斷時釋放存儲的能量
反激開關直流電源根據開關管數目可分為雙端和單端反激。
根據反激直流電源變壓器工作模式可分為CCM 和DCM 模式反激直流電源。
根據控制方式可分為PFM 和PWM 型反激直流電源。
根據驅動占空比的產生方式可分為直流電源電壓型和直流電源電流型反激開關直流電源。
我們所要講的反激直流電源精確定義為:直流電源電流型PWM 單端反激直流電源。
1.4 直流電源電流型PWM 單端反激直流電源
此類反激直流電源優點:結構簡單價格便宜,適用小功率直流電源。
此類反激直流電源缺點:功率較小,一般在150w 以下,紋波較大,直流電源電壓負載調整率低,一般大于5%。
此類反激直流電源設計難點主要是直流電源變壓器的設計,特別是寬輸入直流電源電壓,多路輸出的直流電源變壓器。
2 舉例講解設計過程
為了更清楚了解設計中詳細計算過程,我們將以220VAC-380VAC 輸入,+5V±3%(5A),±15±5%(0.5A)三路共地輸出反激直流電源為例講解設計過程。
提出上面要求,選擇思路如下:
直流電源總輸出功率P=5*5W+15*0.5*2=40W 功率較小,可以選擇反激開關直流電源。
反激直流電源功率只有40W 又屬于多路輸出,+5V±3%,紋波±150mV,±15±5%。5V 要求精度高,所以5v 作為直流電源主反饋。考慮到5V 對±15V 的交叉控制能力,開關直流電源選用斷續模式(DCM)。
芯片供電線圈選用15V 輸出,但是其功率很小,計算過程中忽略不計。
直流電源功率較小,輸入直流電源電壓變化范圍只有±30%,所以不需要PFC 直流電源電路設計。
直流電源總體電路設計框圖設計如下:
3 輸入直流電源電路設計
輸入直流電源電路設計包括防雷單元,EMI 直流電源電路設計和整流濾波直流電源電路設計。下圖為常見開關直流電源輸入回路:
3.1.1 防雷單元
基于壓敏電阻和陶瓷氣體放電管的防雷直流電源電路設計使用的比較多,直流電源電路設計簡單價格便宜。
●MOV1,MOV2 ,MOV3 為壓敏電阻,用來吸收雷擊的浪涌直流電源電壓,保護后面的直流電源電路設計,是防雷單元的主要元件。
●加入保險絲F2,F3,以及氣體放電管FDG 的其主要是安全要求,因為壓敏電阻的失效模式特點,在遭受雷擊或長時間老化后,壓敏電阻直流電源電壓等級會降低,有可能低于電網直流電源電壓,導致其功耗變大甚至短路,加入保險以及氣體放電管,保證壓敏出現故障不會造成短路。
●保險絲F1 一方面是保護后面直流電源電路設計出現故障時斷開,另一方面,它也有防雷效果,在遭受雷擊時,會有浪涌直流電源電流涌入MOV3,有可能導致保險F1 斷開,但是如果想要有抗雷擊效果,需要使用快速保險。
3.1.2 EMI 直流電源電路設計
由于開關直流電源工作在高頻狀態及其高di/dt 和高dv/dt,使開關直流電源存在非常突出的缺點——容易產生比較強的電磁干擾(EMI)信號。其EMI 信號不但具有很寬的頻率范圍,還具有一定的幅度,經傳導和輻射會污染電磁環境,對通信設備和電子產品造成干擾。設計EMI 直流電源電路設計是為了抑制開關直流電源工作產生的輻射及傳導干擾對電網的影響。
●EMI 直流電源電路設計中:C1、L1、C2、C3,C4 組成的雙π型濾波網絡,C1,C4 為X 電容,濾除差模干擾,C2,C3 為Y2 電容,濾除共模干擾。其中L1 為共模電感,能夠抑制共模信號。L1 的漏感為差模電感,抑制高頻差模信號。C7 為Y2 電容,其在整流橋直流電源電流換向時,整流橋斷開,輸入與濾波電容完全隔開,濾波電容以后處于懸浮狀態,所以加入電容C7,在整流橋換向過程中抑制EMI。
●EMI 直流電源電路設計對直流電源的電磁噪聲及雜波信號進行抑制,防止對直流電源干擾,同時也防止直流電源本身產生的高頻雜波對電網干擾。
●R1,R2 是安規要求,其主要作用是為了給X 電容放電。需要在較短的時間內將X 電容的直流電源電壓降低到安全直流電源電壓一下。
●當直流電源開啟瞬間,要對 C5 充電,由于瞬間直流電源電流大,加RT1(熱敏電阻)就能有效的防止浪涌直流電源電流。因瞬時能量全消耗在RT1 電阻上,一定時間后溫度升高后RT1 阻值減小(RT1 是負溫系數元件),這時它消耗的能量非常小,后級直流電源電路設計可正常工作。
3.1.3 整流濾波直流電源電路設計
●交流直流電源電壓經BRG1 整流后,經C5 濾波后得到較為純凈的直流直流電源電壓。若C5 容量變小,輸出的交流紋波將增大,所以選著合適的C5 對于系統穩定非常重要。
●經驗選取:一般沒有PFC 的380VAC 開關直流電源C5 按照1.5-2.5uF/w 來選。按照這個標準可以滿足絕大部分直流電源濾波要求。具體不同要根據環境溫度,溫度高電容要取大一些。
●電容C6 為一高頻薄膜電容,它在整流橋換向時提供能量和回路,對直流電源傳導干擾有明顯抑制作用。
以上元器件參數不是計算得到的,而是進行了EMI 整改和雷擊實驗的時候確定最終參數。對于電容C5 可以選擇100uf/350V 電解電容串聯。對于上一部分設計,我們公司一般都是直流母線直接輸入,所以C5 選取可以小一些。
4 關鍵直流電源電路設計計算:
功率變換是設計的關鍵部分,其設計過程主要包括功率元件選擇和開關直流電源變壓器設計,其中開關直流電源變壓器設計是開關直流電源設計工作中最重要的部分,其設計的結果直接決定了開關直流電源的性能,本文主要講解直流電源電路設計原理。
4.1 開關直流電源變壓器
4.1.1 直流電源變壓器設計要點
對于40W 的反激開關直流電源,直流電源變壓器工作在DCM 模式比較好。
●該直流電源5V 輸出為5A ,為了提高5V 控制力,使用銅箔,增加耦合系數。
●由于該直流電源設計為多路共地輸出,+15V 與-15V 雙線并繞,提高交叉調節能力。
●初級線圈分成兩部分,使用三明治繞法,減小漏感。
●鐵芯 :有許多廠家的鐵芯可被用作反激直流電源變壓器。下面的材料適合使用: PC40 或PC44 3C85、3C90 或 3F3 。反激直流電源變壓器一般用 E 形磁芯,原因是它成本低、易使用。其它類型磁芯如 EF、EFD、ETD、EER 和 EI 應用在有高度等特殊要求的場合。RM、.toroid 和罐形磁芯由于安全絕緣要求的原因不適合使用。低外形設計時EFD 較好,大功率設計時 ETD 較好,多路輸出設計時 EER 較好。
●骨架 :對骨架的主要要求是確保滿足安全爬電距離,初、次級穿過磁芯的引腳距離,要求以及初、次級繞組面積距離的要求。骨架要用能承受焊接溫度的材料制作。
●絕緣膠帶 :聚酯和聚酯薄膜是用作絕緣膠帶最常用的形式,它能定做成所需的基本絕緣寬度或初、次級全絕緣寬度。邊沿膠帶通常較厚少數幾層就能達到要求,它通常是聚酯膠帶。
4.1.2 直流電源變壓器詳細計算
以上面的一個實例來講一下計算過程。
1.確定直流電源規格.
1).輸入直流電源電壓范圍 Vin=220—380Vac;
2).輸出直流電源電壓/負載直流電源電流:Vout1=5V/1A,Vout2=15V/0.5A,Vout3=-15V/0.5A;
3).直流電源變壓器的效率 ?=0.90
2. 工作頻率和最大占空比確定.
取:工作頻率 fosc=100KHz, 最大占空比 Dmax=0.45. (取小于0.5 是由退磁伏秒積決定的)
Tosc=1/fosc=10us.Ton(max)=0.45*25=4.5us
Toff=10-4.5=5.5us.
3. 計算直流電源變壓器初與次級匝數比 n(Np/Ns=n).
最低輸入直流電源電壓 Vin(min)=220*√2-20=280Vdc(取低頻紋波為 30V).
根據伏特-秒平衡,有: Vin(min)* Dmax= (Vout+Vf)*(1-Dmax)*n.
其中Vout 為主反饋,因為主反饋直流電源電壓是穩定的,是真正控制直流電源變壓器的信號推得:
n= [Vin(min)* Dmax]/ [(Vout1+Vf1)*(1-Dmax)] =[280*0.45]/[(5+0.8)*0.55]=39.5
由于5V 輸出直流電源電流為5A,所以5V 整流二極管使用大直流電源電流肖特基,壓降近似取0.8V
4. 直流電源變壓器初級峰值直流電源電流的計算.
設+5V 輸出直流電源電流的過流點為 120%;+5v 整流二極管的正向壓降為0.8V 和±15v 整流二極管的正向壓降 1.0V.
●+5V 輸出功率 :Pout1=(Vout1+Vf1)*Iout1*120%=(5+0.8)*5*1.2=34.8W
●+15V 輸出功率 Pout2=(Vout2+Vf2)*Iout2=16*0.5=8W
●-Pout3=(Vout3+Vf3)*Iout3=16*0.5=8W
直流電源變壓器次級輸出總功率 Pout=Pout1+Pout2+ Pout3=51W
由于工作在斷續模式,所以一個周期輸入的能量全部輸出。
根據能量守恒:
Vin(min)*0.5*Ipp*Dmax*Tosc*fosc=Pout/ ?
所以Ipp= Pout/ (?* Vin(min)*0.5*Dmax)=51/(0.9*280*0.5*0.45) =0.9A
5. 直流電源變壓器初級電感量的計算.
由式子 Vdc=Lp*di/dt,得:
Lp= Vin(min)*Ton(max)/Ipp = 280*4.5/0.9 uH=1.4mH
6.直流電源變壓器鐵芯的選擇.
根據經驗式子 Aw*Ae=Pt*106/[2*ko*kc*fosc*Bm*j*?],其中:
Pt(直流電源變壓器的標稱輸出功率)= Pout=23W ,Ko(窗口的銅填充系數)=0.3(直流電源電壓較高Ko 較小),Kc(磁芯填充系數)=1(對于鐵氧體), 直流電源變壓器磁通密度 Bm=2700 Gs ,過載時Bm=3000GS, j(直流電源電流密度): j=4.5A/mm。
Aw*Ae=51*106/[2*0.3*1*100*103*2700Gs*4.5*0.90] =0.9cm4
考慮到繞線空間,選擇窗口面積大的磁芯,查表:

EE19 鐵氧體磁芯的有效截面積 Ae=0.22cm2
它的窗口面積 Aw=0.50cm2
EE19 的功率容量乘積為
Ap =Ae*Aw=0.11cm4 >0.09cm4
故選擇EE19 鐵氧體磁芯滿足條件
7.直流電源變壓器初級匝數及氣隙長度的計算.
1).由 Np=Lp*Ipp/[Ae*Bm],得:
Np=1400*0.9/(22.8*0.3)= 取 Np=184
由 Lp=uo*ur*Np2*Ae/lg,得:
氣隙長度 lg=uo*ur*Ae*Np2/Lp =4π*10-7* 184^2*22.8/1.4=0.66mm 取 lg=0.7mm
2). 當+5V 限流輸出,Ipp 為最大時(Ipp=0.9A),檢查 Bmax.
Bmax=Lp*Ipp/[Ae*Np] =1.4*10-3*0.9/(22.8*10-6 *184)=0.307T=3070Gs<3300Gs
老的資料上介紹的鐵氧體參數已經不準確了,現在鐵氧體飽和可以做到3500GS 以上,部分鐵氧體材質可以做到4700GS,因此直流電源變壓器磁芯選擇可以通過.
8. 直流電源變壓器次級匝數的計算.
Ns1(5v)=Np/n=184/39.5=4.5 取 Ns1=5
Ns2(15v)=(15+1)* Ns1/(5+0.8)=13.8 取 Ns2=14
Ns3(-15v)=(15+1)* Ns1/(5+0.8)=13.8 取 Ns3=14
故初次級實際匝比:n=180/5=36
9.重新核算占空比 Dmax 和 Dmin.
1).當輸入直流電源電壓為最低時:
Vin(min)=280Vdc.
由 Vin(min)* Dmax= (Vout1+Vf1)*(1-Dmax)*n,得:
Dmax=(Vout1+Vf1)*n/[(Vout1+Vf1)*n+ Vin(min)] =0.43 <0.45
占空比合格。
2).當輸入直流電源電壓為最高時:
Vin(max)=380*1.414=537Vdc.
Dmin=(Vout1+Vf1)*n/[(Vout1+Vf1)*n+ Vin(max)] =0.263
10. 重新核算直流電源變壓器初級直流電源電流的峰值 Ip 和有效值 I(rms).
DCM 模式下,直流電源變壓器初次級直流電源電流為三角波,
11.根據直流電源電流波形,求得三角波直流電源電流有效值I(rms)=Ip*Sqrt(D/3)
1).在輸入直流電源電壓為最低Vin(min)和占空比為Dmax 條件下, 初級直流電源電流的峰值 Ipp 和有效值Ip(rms).
所以Ipp= Pout/ (?* Vin(min)*0.5*Dmax)=51/(0.9*280*0.5*0.43) =0.94A
2). 當+5V 限流輸出,Ipp 為最大時(Ipp=0.9A),檢查 Bmax.
Bmax=Lp*Ipp/[Ae*Np] =1.4*10-3*0.94/(22.8*10-6 *184)=0.307T=3130Gs<3300Gs
因此直流電源變壓器初級匝數選擇通過.
Ip(rms)=Ipp*Sqrt(Dmax/3)=0.94*Sqrt(0.43/3)=0.355A
3).次級直流電源電流有效值計算
次級直流電源電流也是三角波,其平均值為輸出直流電源電流。所以根據面積等效法求得:
Iout*Tosc=0.5*Isp*Tosc*(1-D)
所以Isp= Iout*Tosc/(0.5*Tosc*(1-D))=2* Iout/(1-D)
Is(rms)=Isp*Sqrt((1-D)/3)
+5V 繞組直流電源電流計算如下:
Is1p=2* Iout1/(1-Dmax)=2*6/(1-0.43)=21A
Is1(rms)=Is1p*Sqrt((1-Dmax)/3)=9.17A
+15V 繞組直流電源電流計算如下:
Is2p=2* Iout2/(1-Dmax)=2*0.5/(1-0.43)=1.75A
Is2(rms)=Is2p*Sqrt((1-Dmax)/3)=0.764A
-15V 繞組計算同+15V
Is3p=2* Iout3/(1-Dmax)=2*0.5/(1-0.43)=1.75A
Is3(rms)=Is3p*Sqrt((1-Dmax)/3)=0.764A
12.直流電源變壓器初級線圈和次級線圈的線徑計算.
1).導線橫截面積:
前面已提到,取直流電源電流密度 j= 4.5mm2
直流電源變壓器初級線圈:導線截面積= Ip(rms)/j=0.35A/4.5A/mm2=0.07mm2
其中次級直流電源電流計算方法類似,這里不做過多講解。
2).線徑及根數的選取.
考慮導線的趨膚效應,因此導線的線徑建議不超過穿透厚度的 2 倍.
穿透厚度=66.1*k/(f)1/2
k 為材質常數,Cu 在 20℃時 k=1.
=66.1/(100*103)1/2=0.20
因此導線的線徑不要超過 0.40mm. 如果單根導線直徑太大可以使用多只并繞,對于銅箔厚度可以取0.35mm
5).直流電源變壓器繞線結構及工藝.
為了減小直流電源變壓器的漏感,建議采取三文治繞法,而且采取該繞法的直流電源 EMI 性能比較好,另外直流電源變壓器中具體的安規問題參見公司安規標準。
4.2 器件選型與計算
4.3 控制開關主回路:
4.3.1 芯片工作原理:
UC3844 是一種高性能單端輸出式直流電源電流控制型脈寬調制器芯片,由該集成直流電源電路設計構成的開關穩壓直流電源與一般的直流電源電壓控制型脈寬調制開關穩壓直流電源相比具有外圍直流電源電路設計簡單、直流電源電壓調整率好、頻響特性好、穩定幅度大、具有過流限制、過壓保護和欠壓鎖定等優點。該芯片的主要功能有:內
部采用精度為±2.0%的基準直流電源電壓為5.00V,具有很高的溫度穩定性和較低的噪聲等級;振蕩器的最高振蕩頻率可達500kHz。內部振蕩器的頻率同腳8 與腳4 間電阻Rt、腳4 的接地電容Ct 決定。其內部帶鎖定的PWM(Pulse Width Modulation),可以實現逐個脈沖的直流電源電流限制;具有圖騰柱輸出,能提供達1A 的直流電源電流直接驅動MOSFET 功率管。
4.3.1.1 芯片結構框圖:
芯片頻率選擇:
4.3.1.2 芯片輔助元件選擇:
UC3844 的腳8 與腳4 間電阻R6 及腳4 的接地電容C42 決定了芯片內部的振蕩頻率,大多數直流電源設計人員認為芯片振蕩只要頻率對了就可以,其實不然。設計芯片振蕩RC 的值還跟最大占空比有關。此直流電源選取100K 為開關頻率,對應100K 有很多種R 和C 可以滿足要求,但是不同RC 對應的最大占空比不同。綜合考慮選取R=15K、C=500pF,保證了頻率是100K 同時最大占空比設計在45%以上。
細節:由于UC3844 內部有個分頻器,所以驅動MOSFET 功率開關管的方波頻率為芯片內部振蕩頻率的一半。
其中R5、R8 選擇對于啟動過沖,最大輸出功率(最大占空比),以及過功率保護有重要影響。分析框圖可知,VFB 引腳接地,則COMP 引腳會輸出1mA 直流電源電流(有的公司芯片會在2-3mA)。TL431 最小工作直流電源電流1mA,則流過光耦的最小直流電源電流由R8 決定。也就是說光耦最小直流電源電流可以從0-1mA 變化,按照光耦傳輸比300%計算,則光耦輸出端可以吸納3mA 直流電源電流,即流過R5 的直流電源電流可以設計為最小2mA,這樣就限制了COMP 直流電源電壓最高值,也就限制了直流電源電流采樣電阻最大直流電源電流。設計時需要跟采樣電阻配合設計。我們公司有一些標準參數可以滿足反激直流電源要求;R8=2K, R5=1K。
4.3.2 反饋工作原理:
當輸出直流電源電壓升高時,經兩電阻R12、R10 分壓后接到TL431 的參考輸入端(誤差放大器的反向輸入端)的直流電源電壓升高,與TL431 內部的基準參考直流電源電壓2.5 V 作比較,使得TL431 陰陽極間直流電源電壓Vka 降低,進而光耦二極管的直流電源電流If 變大,于是光耦集射極動態電阻變小,集射極間直流電源電壓變低,也即UC3844 的腳1 的電平變低,經過內部直流電源電流檢測比較器與直流電源電流采樣直流電源電壓進行比較后輸出變高,PWM 鎖存器復位,或非門輸出變低,于是關斷開關管,使得脈沖變窄,縮短MOSFET 功率管的導通時間,于是傳輸到次級線圈和自饋線圈的能量減小,使輸出直流電源電壓Vo 降低。反之亦然,總的效果是令輸出直流電源電壓保持恒定,不受電網直流電源電壓或負載變化的影響,達到了實現輸出閉環控制的目的。
注意:設計中R68、C41 對啟動過沖影響:加入R68 與C41 可以在反饋環路中引入一個零點,該零點可以引入相位超前量,使得系統對過沖反映更快,進而減小過沖。
表2 反饋環路經驗值:

4.3.3 啟動及輔助供電:
圖3 為啟動及輔助供電直流電源電路設計,其功能是實現直流電源芯片自啟動供電和正常工作供電。為了安全我此直流電源帶有短路保護直流電源電路設計(Q15,C101,R71,R7,R73),延長短路時打嗝保護時間,提高短路保護效果。
4.3.3.1 啟動供電:
此開關直流電源選用UC38C44,啟動供電由R3、R1、R2、R4 四個啟動電阻和C2,C3 組成,在直流電源完成啟動前由啟動電阻和電容給直流電源控制芯片UC3844 供電。
啟動電阻選取原則:
1、在母線輸入最小工作直流電源電壓下280VDC,流過啟動電阻的直流電源電流要大于直流電源控制芯片UC3844啟動直流電源電流(uc3844 一般取0.5mA)。所以電阻R<280/0.5Kohm=560Kohm。
2、串聯啟動電阻耐壓之和要大于母線電容最大直流電源電壓537vdc,所以啟動電阻散熱功率一般貼片1210 封裝耐壓200V,鑒于耐壓和散熱考慮選用R3、R1、R2、R4 串聯來滿足耐壓和功率需求。
3、最大輸入直流電源電壓下537VDC,串聯啟動電阻的溫升不得超過測試規范(40 攝氏度)。啟動電阻體積比較小,擺放位置首先要滿足遠離發熱元件,其次再考慮走線問題,(啟動電阻走線不必考慮電磁干擾問題)。
4.3.3.2 輔助供電直流電源電路設計:
當直流電源啟動以后,控制芯片UC3844 供電改由輔助供電直流電源電路設計提供。該直流電源電路設計在直流電源變壓器輔助繞組取電,經過D1 整流和由R7、C2、C3 組成的RC 濾波器濾波后供芯片使用。其中R7 取值對于直流電源電路設計調試很關鍵,會影響直流電源啟動和芯片工作直流電源電壓,R7、C2 選取原則:RC 濾波器時間常數大于開關周期10 倍,小于C2 維持時間的一半。另外C2 選取一般還要滿足最低母線直流電源電壓啟動時充電時間小于3S。
綜合考慮 C2 選取25v/100uf(芯片資料推薦值大于47uf),R7 使用36Ω,由于不同的輸出濾波電容,不同的直流電源變壓器,在整機調整時再最終確定R7 C2 值。
4.3.3.3 短路保護直流電源電路設計:
工作原理:芯片正常工作時,5VREF 節點直流電源電壓為5V,則Q15 柵源直流電源電壓Vgs=4.3V。此時Q15導通,則D33 陽極被拉低接近0V,此時D33 反偏,沒有直流電源電流流過D33。當出現短路時,輔助供電直流電源電路設計直流電源電壓降低,無法給芯片UC3844 供電。此時芯片UC3844 消耗電容C2 存儲的能量,當C2 直流電源電壓低于芯片UC3844 的下限直流電源電壓Uoff 后,芯片停止工作,直流電源被保護。UC3844 停止工作后,5VREF 點直流電源電壓為0V,電容C101 經過R73 放電。當C101 直流電源電壓低于Q15 開啟直流電源電壓Vth 后Q15 關閉,然后D33 轉向正向導通,通過啟動電阻對電容C101 充電,當充電直流電源電壓達到UC3844 的Vth 直流電源電壓后,直流電源再次啟動。
短路持續時間:從短路開始到電容C2 直流電源電壓降低到UC3844 下限直流電源電壓所用的時間,時長取決與正常工作時工作直流電源電壓和C2 容量以及UC3844 芯片功耗。
打嗝保護時間由兩部分組成:電容C101 經過R73 放電到直流電源電壓低于Q15 開啟直流電源電壓Vth 的時間T1,和啟動電阻對電容C2 充電到UC3844 芯片Vth 直流電源電壓的時間T2。
分析可得,電容C2 取值不易過大,滿足啟動要求即可,否則短路持續時間會比較長。如果整個直流電源變壓器利用率很低,整個直流電源輸出功率很小時,有可能出現短路不保護,這需要增加電阻R7 的阻值,同時增大R20 R21。
由于這些電阻電容以及mos 管都有離散型,所以計算一個精確地時間沒有意義,需要在整機出來以后根據直流電源電路設計原理來調節參數,使得短路直流電源電流和短路保護時間滿足要求。
4.3.4 開關管及其驅動
4.3.4.1 驅動電阻及保護穩壓二極管:
圖4 中,R85 R16 決定了開關管的開關速度,而開關管的開關速度會影響開關損耗和傳導輻射。具體用多大驅動電阻可以通過測開關管波形來選擇。反激直流電源驅動電阻選擇需要同時滿足開關損耗和直流電源電壓尖峰要求,對于我們公司反擊直流電源一般工作在DCM 模式,關斷損耗遠大于開通損耗,所以一般開通電阻R85 比關斷電阻R16 大。在保證沒有明顯關斷過沖的情況下,關斷電阻越小越好。穩壓二極管Z6 起保護MOS 管Q2 的作用,一般選擇18V,(連接方法注意,穩壓二極管陽極直接接mos 管S 極,而不是接地)。
對于40W 100K 的反激開關直流電源,其要求開關速度較快,一般將R85 R16 選擇在10Ω左右,具體的數值可以通過實驗來滿足,在mos 發熱量允許的情況下,可以將電阻加大,減小開關速度,以得到較好的EMI。
4.3.4.2 直流電源電流采樣電阻及采樣直流電源電流濾波直流電源電路設計:
圖4 中R20、R21 為直流電源電流采樣電阻,其阻值需要滿足低壓滿載直流電源電流峰值時電阻上最大直流電源電壓在0.5v-0.8v 之間。這個直流電源電壓太低影響限功率保護效果,直流電源電壓太高會影響直流電源動態。采樣直流電源電流濾波直流電源電路設計有R121\C8 組成,其RC 時間常數要小于開關周期的1/40,根據開關尖峰情況,一般時間常數取200ns-500ns(大于芯片內部前沿消隱直流電源電路設計延時)可以滿足大部分開關直流電源要求。采樣電阻最好使用貼片或無感電阻,小功率也可以使用金屬膜電阻。
所以對于此直流電源,由于前面計算,Ipp=0.94A,所以電阻R20//R21 取到0.5Ω-0.85Ω。
4.3.4.3 過壓保護原理:
圖4 中 Z1 起到過壓保護作用,當輸出直流電源電壓變高時,輔助供電繞組直流電源電壓也升高,導致電容C2直流電源電壓升高,當直流電源電壓超過18V 時穩壓二極管Z1 導通,輸出功率開始受限,當直流電源電壓超過19V 時芯片3 腳直流電源電壓超過1V,芯片輸出PWM 停止,輸出直流電源電壓被限制。
4.3.4.4 開關MOS 管:
圖4 中Q2 為直流電源開關MOS 管,Mos 管作為開關其需要滿足耐壓和溫升兩個問題,初步選型是根據經驗MOS 管耐壓值可以取1.5*Uinmax,小功率直流電源開關MOS 直流電源電流可以取到2*Ipp。(Ipk 為初級直流電源電流峰值)。我們公司直流電源變壓器一般工作在DCM 下,直流電源變壓器初級直流電源電流計算可以按照伏伏秒積求Ipk=Uinmin*Tonmax/Lm,Uinmin 為輸入最小母線直流電源電壓,Tonmax 為MOS 最大開通時間,Lm 為初級電感量,開關MOS 直流電源電壓應力有三部分組成:直流電源輸入直流電源電壓,反射直流電源電壓,直流電源電壓尖峰。反射直流電源電壓:Vrd=(Vo+Vf)*Np/Ns,其中Vo 為主反饋輸出直流電源電壓,Vf 為主反饋二極管導通壓降,Np 為直流電源變壓器初級匝數,Ns 為主反饋繞組匝數。尖峰直流電源電壓取決與驅動電阻,工作直流電源電壓,和輸出功率以及RCD 吸收回路,所以減小mos 管直流電源電壓應力的方法是加大RCD 吸收,加大驅動電阻,但是而之變化都會影響效率,調試時需要折中選擇。
所以此直流電源選擇900V2Amos 管即可,但是由于有時候為了減小mos 管發熱量,同時成本增加不多的情況下,可以將mos’管直流電源電流選大一點。
4.4 RCD 吸收回路原理及設計:
本開關直流電源設計中,RCD 吸收回路由R161、R14、C7、D5、D6 組成。(詳見圖7)由于初級關鍵器件的的幾個寄生參數(一次級間漏感、MOS 的輸出電容、二次側二極管的結電容等),當MOS 關斷時,初級直流電源電流中耦合的部分轉移到次級輸出,但是漏感中的直流電源電流沒有路徑可回流,所以漏感能量會在MOS 管D 極形成高壓擊穿MOS 。
4.4.1 吸收回路設計:
RCD 吸收回路作用就是給直流電源變壓器初級漏感一條路徑回流,并吸收漏感的直流電源電流。RCD 吸收中,R 是根據直流電源變壓器漏感Lr 儲能來設計的,直流電源變壓器漏感越大;R 需要消耗的能量(Er=Ipk2*Lr/2)越多;R的值就越低。線繞直流電源變壓器漏抗儲能在1~5%,估算出直流電源變壓器漏磁儲能功率;再算出直流電源變壓器反激直流電源電壓,就可以用歐姆定律求出阻值了。C 的選擇比較寬范,只要RC 積大于10-20 倍周期就可以了,一般RC 積不超過1mS。所以;不會斷電后放不完電。
這個值的選擇只能估計,一般來講 50 瓦三路輸出100K 反激直流電源變壓器漏感必須控制在2%以內,否則漏感損耗太大,設計或做工不合理,需要重新選擇更大磁芯以減小漏感。
根據上面直流電源變壓器的計算,可以得知反射直流電源電壓UR=Vout1*n=5.8*39.5=230V,漏感功率 Pr=Er*fosc=Ipp^2*lr/2*fosc=1.2W
所以電阻選用2 只2W 的金屬氧化膜電阻器串聯。阻值Rr=Ur^2/Pr/2=22K.但是最終電阻電容選擇取決于直流電源變壓器設計的如何,最簡單實用的方法就是測量吸收電容直流電源電壓。對于RCD 吸收的幾個器件,首先焊接一個計算值元件,然后再做調整,達到最好的要求。
●二極管選擇:一般使用快恢復二極管,耐壓值大于1.2*(Uinmax+Vrcd)
●電容電阻選擇RC,R*C>10Tsw~20Tsw
●電容直流電源電壓波動小于10%
●電容值電阻值選擇保證Vrcd 直流電源電壓滿足1.2*(Uinmax+Vrcd)<Vd,如果Vrcd 直流電源電壓太高,就減小R,如果Vrcd 太小,會影響效率,所以需要折中選擇。
4.5 輸出整流及濾波:
反激直流電源輸出濾波由二極管和濾波電容以及假負載組成,直流電源電路設計如圖8 所示。高直流電源電壓大直流電源電流輸出整流二極管需要加入RC 吸收二極管直流電源電壓尖峰(圖中R36 C43)。并接在二極管兩端的阻容串聯元件在二極管開通或關斷過程中,直流電源電壓發生突變時,通過電阻對電容的充電將明顯減 緩直流電源電壓變化率整流二極管加入RC 濾波以后,直流電源電壓尖峰降低了,振鈴震蕩也抑制住了.選擇合適的RC 對直流電源可靠性及EMI/EMC 很重要。
C 上的直流電源電壓在初級MOS 開通后到穩態時的直流電源電壓為Vo+Ui/N,因為我們設計的RC 的時間參數遠小于開關周期,可以認為在一個吸收周期內,RC 充放電能到穩態,所以每個開關周期,其吸收損耗的能量為:次級漏感尖峰能量+RC 穩態充放電能量,近似為RC 充放電能量=C*(Vo+Ui/N)^2。但是C 取值也是無法精確計算的,根據經驗值,一般R36 為2w 阻值在100Ω以內金屬膜電阻。C43 一般為高壓瓷片電容,選取10n 以內。
由于本直流電源功率較小頻率100K,所以R36 可以使用10Ω,電容使用4 只1206 貼片1nf 高壓瓷片電容。但是具體值的加大還是減小需要還是需要實際測量。取值辦法一般使用先確定電容,再確定電阻。
在不同輸入直流電源電壓下,再驗證參數是否合理,最終選取合適的參數。
4.5.1 整流二極管原理與設計
圖8 中D12 是整流二極管。開關直流電源輸出整流二極管需要滿足溫升和耐壓值要求,解決溫升一般原則是盡可能使用肖特基二極管,或者選用直流電源電流更大的二極管,另外整流二極管本身就是一熱源要注意散熱,不能放在發熱元件附近。二極管耐壓值選擇一般要大于兩倍的反激直流電源電壓,如果加入RC 吸收直流電源電路設計來吸收二極管尖峰,可以選擇耐壓值大于1.5 倍反激直流電源電壓的二極管。所以5V 可以選擇40 伏肖特基二極管。
對以5V 來講,其輸出直流電源電流最大為6A,最大峰值為21A,所以二極管可以選擇2045 兩只并聯,這樣可以減小導通壓降,降低損耗。
4.5.2 濾波電容原理與設計
圖8 中C57、C75 為反激直流電源輸出濾波電容,這些電容都是電解電容,電解電容ESR 比較大,所以主要考慮電容ESR 對輸出直流電源電壓紋波的影響。另外電解容量一般比較容易做大,所以一般不需要考慮容量對紋波的影響。
電解電容屬于易老化器件,所以要考慮長期可靠工作需要滿足工作直流電源電壓低于80%額定直流電源電壓。另外還要考慮電解電容溫升,計算溫升比較復雜,一般可靠的選取原則是電容直流電源電流Irms 不要超過電容規格書給定的的最大Irms。
對于5V 輸出,其有效值前面已經計算Is1rms=9A,所以電容可以選用10v/2200uf (每只可以吸收1.3A 直流電源電流)7 只并聯。然后由于紋波±150mV 要求,所以要求濾波電容的并聯ESR 需要小于150mv/Isip=150mv/21A=7mΩ。7 只20℃電容并聯電阻為:62m/7=8.8mΩ。但是實際工作過程中,電容溫度會較高,所以電阻會低于8.8mΩ。基本可以滿足要求。
4.5.3 假負載原理與設計
圖8 中R59、R60 為假負載,其大小是由輔助繞組的供電決定,如果假負載太輕,那么直流電源輸出空載時輔助繞組得不到足夠供芯片UC3844 工作的能量,直流電源會打嗝。
另外適當加大假負載會提高直流電源動態和交叉調節能力。在調試直流電源中如果出現打嗝現象,可以加大假負載再調試。
此直流電源所有輸出都應該加入假負載,尤其是±15V,如果假負載太輕,容易造成直流電源電壓漂高。
5直流電源保護直流電源電路設計
5.3.1 短路保護直流電源電路設計
1、在輸出端短路的情況下,PWM 控制直流電源電路設計能夠把輸出直流電源電流限制在一個安全范圍內,它可以用多種方法來實現限流直流電源電路設計,當功率限流在短路時不起作用時,只有另增設一部分直流電源電路設計。
2、短路保護直流電源電路設計通常有兩種,下圖是小功率短路保護直流電源電路設計,其原理簡述如下:
當輸出直流電源電路設計短路,輸出直流電源電壓消失,光耦OT1 不導通,UC3842①腳直流電源電壓上升至5V 左右,R1 與R2 的分壓超過TL431 基準,使之導通,UC3842⑦腳VCC 電位被拉低,IC 停止工作。UC3842 停止工作后①腳電位消失,TL431 不導通UC3842⑦腳電位上升,UC3842 重新啟動,周而復始。當短路現象消失后,直流電源電路設計可以自動恢復成正常工作狀態。
3、下圖是中功率短路保護直流電源電路設計,其原理簡述如下:
當輸出短路,UC3842①腳直流電源電壓上升,U1 ③腳 電位高于②腳時,比較器翻轉①腳輸出高電位,給 C1 充電,當C1 兩端直流電源電壓超過⑤腳基準直流電源電壓時 U1⑦腳輸出低電位,UC3842①腳低于1V,UCC3842 停止工作,輸出直流電源電壓為0V,周而復始,當短路 消失后直流電源電路設計正常工作。R2、C1 是充放電時間常數, 阻值不對時短路保護不起作用。
4、 下圖是常見的限流、短路保護直流電源電路設計。其工作原理簡述如下:
當輸出直流電源電路設計短路或過流,直流電源變壓器原邊直流電源電流增大,R3 兩端直流電源電壓降增大,③腳直流電源電壓升高,UC3842⑥腳輸出占空 比逐漸增大,③腳直流電源電壓超過1V 時,UC3842 關閉無輸出。
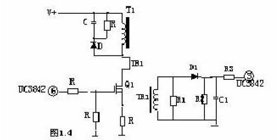
5、下圖是用直流電源電流互感器取樣直流電源電流的保護直流電源電路設計,有著功耗小,但成本高和直流電源電路設計較為復雜,其工作原理簡述如下:
輸出直流電源電路設計短路或直流電源電流過大,TR1 次級線圈感 應的直流電源電壓就越高,當UC3842③腳超過1 伏,UC3842 停止工作,周而復始,當短路或過載消失,直流電源電路設計自行恢復。
5.3.2 輸出端限流保護
上圖是常見的輸出端限流保護直流電源電路設計,其工作原理簡述如上圖:當輸出直流電源電流過大時,RS(錳銅絲)兩端直流電源電壓上升,U1③腳直流電源電壓高于②腳基準直流電源電壓,U1①腳輸出高直流電源電壓,Q1 導通,光耦發生光電效應,UC3842①腳直流電源電壓降低,輸出直流電源電壓降低,從而達到輸出過載限流的目的。
5.3.3 輸出過壓保護直流電源電路設計的原理
輸出過壓保護直流電源電路設計的作用是:當輸出直流電源電壓超過設計值時,把輸出直流電源電壓限定在一安全值的范圍內。當開關直流電源內部穩壓環路出現故障或者由于用戶操作不當引起輸出過壓現象時,過壓保護直流電源電路設計進行保護以防止損壞后級用電設備。應用最為普遍的過壓保護直流電源電路設計有如下幾種:
1、可控硅觸發保護直流電源電路設計:
如上圖,當Uo1 輸出升高,穩壓管(Z3)擊穿導通,可控硅(SCR1)的控制端得到觸發直流電源電壓,因此可控硅導通。Uo2 直流電源電壓對地短路,過流保護直流電源電路設計或短路保護直流電源電路設計就會工作,停止整個直流電源直流電源電路設計的工作。當輸出過壓現象排除,可控硅的控制端觸發直流電源電壓通過R 對地泄放,可控硅恢復斷開狀態。
2、光電耦合保護直流電源電路設計:
如上圖,當Uo 有過壓現象時,穩壓管擊穿導通,經光耦(OT2)R6 到地產生直流電源電流流過,光電耦合器的發光二極管發光,從而使光電耦合器的光敏三極管導通。Q1 基極得電導通, 3842的③腳電降低,使IC 關閉,停止整個直流電源的工作,Uo 為零,周而復始。
3、輸出限壓保護直流電源電路設計:
輸出限壓保護直流電源電路設計如下圖,當輸出直流電源電壓升高,穩壓管導通光耦導通,Q1 基極有驅動直流電源電壓而道通,UC3842③直流電源電壓升高,輸出降低,穩壓管不導通,UC3842③直流電源電壓降低,輸出直流電源電壓升高。周而復始,輸出直流電源電壓將穩定在一范圍內(取決于穩壓管的穩壓值)。
4、輸出過壓鎖死直流電源電路設計:
圖A 的工作原理是,當輸出直流電源電壓Uo 升高,穩壓管導通,光耦導通,Q2 基極得電導通,由于Q2 的導通Q1 基極直流電源電壓降低也導通,Vcc 直流電源電壓經R1、Q1、R2 使Q2 始終導通,UC3842③腳始終是高電平而停止工作。在圖B 中,UO 升高U1③腳直流電源電壓升高,①腳輸出高電平,由于D1、R1 的存在,U1①腳始終輸出高電平Q1 始終導通,UC3842①腳始終是低電平而停止工作。正反饋?
5.3.4 輸入過欠壓保護
1、 原理圖:
2、 工作原理:
AC 輸入和DC 輸入的開關直流電源的輸入過欠壓保護原理大致相同。保護直流電源電路設計的取樣直流電源電壓均來自輸入濾波后的直流電源電壓。 取樣直流電源電壓分為兩路,一路經R1、R2、R3、R4 分壓后輸入比較器3腳,如取樣直流電源電壓高于2 腳基準直流電源電壓,比較器1 腳輸出高電平去控制主控制器使其關斷,直流電源無輸出。另一路經R7、R8、R9、R10 分壓后輸入比較器6 腳,如取樣直流電源電壓低于5 腳基準直流電源電壓,比較器7 腳輸出高電平去控制主控制器使其關斷,直流電源無輸出。
6附加項
6.1 PFC 的作用
PFC 的英文全稱為“Power Factor Correction”,意思是“功率因數校正”,功率因數指的是有效功率與總耗電量(視在功率)之間的關系,也就是有效功率除以總耗電量(視在功率)的比值。 基本上功率因素可以衡量電力被有效利用的程度,當功率因素值越大,代表其電力利用率越高。計算機開關直流電源是一種電容輸入型直流電源電路設計,其直流電源電流和直流電源電壓之間的相位差會造成交換功率的損失,此時便需要PFC 直流電源電路設計提高功率因數。目前的PFC 有兩種,一種為被動式PFC(也稱無源PFC)和主動式PFC(也稱有源式PFC)。
6.1.1 被動式PFC
被動式PFC 一般采用電感補償方法使交流輸入的基波直流電源電流與直流電源電壓之間相位差減小來提高功率因數,被動式PFC 包括靜音式被動PFC 和非靜音式被動PFC。被動式PFC 的功率因數只能達到0.7~0.8,它一般在高壓濾波電容附近。
6.1.2 主動式PFC
而主動式PFC 則由電感電容及電子元器件組成,體積小、通過專用IC 去調整直流電源電流的波形,對直流電源電流直流電源電壓間的相位差進行補償。主動式PFC 可以達到較高的功率因數──通常可達98%以上,但成本也相對較高。此外,主動式PFC 還可用作輔助直流電源,因此在使用主動式PFC 直流電源電路設計中,往往不需要待機直流電源變壓器,而且主動式PFC 輸出直流直流電源電壓的紋波很小,這種開關直流電源不必采用很大容量的濾波電容。
6.1.3 PFC 的作用:
作用是節省能源!就是說讓電網中的能源盡可能被100%利用,但是實際中做不到,但可以接近,比如PFC 99% 等,也就是說有用功越多越好,無用功越小越好.功率因數低,偕波含量太高,對電網的沖擊就大,嚴重時會影響到其他電器的正常工作。
1 由于設備中有電容,電感,直流電源變壓器等器件使直流電源電壓和直流電源電流不同步,這樣出現無功功率,
2 由于開關管,整流器等作用,輸出直流電源電流中有畸變,諧波含量比較大,這樣導致功率因數下降.
它的危害是顯然的,主要是對電網以及電器設備及器件的沖擊力很大,容易毀壞器件.
而無源PFC 只是在器件的前端和后端分別用差模和共模來濾波,這樣加L,C 導致體積很大,而且功率因數只能達到0.85 左右; 主動式PFC 可以達到較高的功率因數──通常可達98%以上,但成本也相對較高。
6.1.4 PFC 直流電源電路設計
無源PFC 直流電源電路設計比較簡單,主要講解一下有源PFC 直流電源電路設計。
有源PFC 本質為一個帶有SPWM 的BOOST 直流電源電路設計,控制方法有很多,直流電源電流型直流電源電壓型 CCM
下圖為PFC 典型直流電源電路設計:
6.2 開關直流電源EMI 產生機理及抑制
開關直流電源向高頻化、高效化方向迅猛發展,EMI 抑制已成為開關直流電源設計的重要指標 電磁干擾( EMI) 就是電磁兼容不足,是破壞性電磁能從一個電子設備通過傳導或輻射到另一個電子設備的過程。近年來,開關直流電源以其頻率高、效率高、體積小、輸出穩定等優點而迅速發展起來。開關直流電源已逐步取代了線性穩壓直流電源,廣泛應用于計算機、通信、自控系統、家用電器等領域。但是由于開關直流電源工作在高頻狀態及其高di/dt 和高dv/dt,使開關直流電源存在非常突出的缺點——容易產生比較強的電磁干擾(EMI)信號。EMI 信號不但具有很寬的頻率范圍,還具有一定的幅度,經傳導和輻射會污染電磁環境,對通信設備和電子產品造成干擾。所以,如何降低甚至消除開關直流電源中的EMI 問題已經成為開關直流電源設計師們非常關注的問題。本文著重介紹開關直流電源中開關管及二極管EMI 的四種抑制方法。
6.2.1 開關管及二極管EMI 產生機理
開關管工作在硬開關條件下開關直流電源自身產生電磁干擾的根本原因,就是在其工作過程中的開關管的高速開關及整流二極管的反向恢復產生高 di/dt 和高dv/dt,它們產生的浪涌直流電源電流和尖峰直流電源電壓形成了干擾源。開關管工作在硬開關時還會產生高di/dt 和高dv/dt,從而產生大的電磁干擾。圖1 繪出了接感性負載時,開關管工作在硬開關條件下的開關管的開關軌跡,圖中虛線為雙極性晶體管的安全工作區,如果不改善開關管的開關條件,其開關軌跡很可能會超出安全工作區,導致開關管的損壞。由于開關管的高速開關,使得開關直流電源中的高頻直流電源變壓器或儲能電感等感性負載在開關管導通的瞬間,迫使直流電源變壓器的初級出現很大的浪涌直流電源電流,將造成尖峰直流電源電壓。開關管在截止期間,高頻直流電源變壓器繞組的漏感引起的直流電源電流突變,從而產生反電勢E=-Ldi/dt,其值與直流電源電流變化率(di/dt)成正比,與漏感量成正比,疊加在關斷直流電源電壓上形成關斷直流電源電壓尖峰,從而形成電磁干擾。此外,開關管上的反向并聯二極管的反向恢復特性不好,或者直流電源電壓尖峰吸收直流電源電路設計的參數選擇不當也會造成電磁干擾。由整流二極管的反向恢復引起的干擾源有兩個,它們分別是輸入整流二極管和輸出整流二極管。它們都是由直流電源電流的換向引起的干擾。由圖2 表明,t0=0 時二極管導通,二極管的直流電源電流迅速增大,但是其管壓降不是立即下降,而會出現一個快速的上沖。其原因是在開通過程中,二極管PN 結的長基區注入足夠的少數載流子,發生電導調制需要一定的時間tr。該直流電源電壓上沖會導致一個寬帶的電磁噪聲。而在關斷時,存在于PN 結長基區的大量過剩少數載流子需要一定時間恢復到平衡狀態從而導致很大的反向恢復直流電源電流。當t=t1 時,PN 結開始反向恢復,在t1-t2 時間內,其他過剩載流子依靠復合中心復合,回到平衡狀態。這時管壓降又出現一個負尖刺。通常t2《t1,所以該尖峰是一個非常窄的尖脈沖,產生的電磁噪聲比開通時還要強。因此,整流二極管的反向恢復干擾也是開關直流電源中的一個重要干擾源。
6.2.2 EMI 抑制方法
di/dt 和dv/dt 是開關直流電源自身產生電磁干擾的關鍵因素,減小其中的任何一個都可以減小開關直流電源中的電磁干擾。由上述可知,di /dt 和dv/dt 主要是由開關管的快速開關及二極管的反向恢復造成的。所以,如果要抑制開關直流電源中的EMI 就必須解決開關管的快速開關及二極管的反向恢復所帶來的問題。
6.2.2.1 并接吸收裝置
采取吸收裝置是抑制電磁干擾的好辦法。吸收直流電源電路設計的基本原理就是開關在斷開時為開關提供旁路,吸收蓄積在寄生分布參數中的能量,從而抑制干擾發生。常用的吸收直流電源電路設計有RC、RCD。此類吸收直流電源電路設計的優點就是結構簡單、價格便宜、便于實施,所以是常用的抑制電磁干擾的方法。
6.2.2.1.1 并接RC 直流電源電路設計
在開關管T 兩端加RC 吸收直流電源電路設計,如圖3 所示。在二次整流回路中的整流二極管D 兩端加RC吸收直流電源電路設計,如圖5 所示,抑制浪涌直流電源電流。
6.2.2.1.2 并接RCD 直流電源電路設計
在開關管T 兩端加RCD 吸收直流電源電路設計,如圖4 所示。
6.2.2.2 串接可飽和磁芯線圈
二次整流回路中,與整流二極管D 串接可飽和磁芯的線圈,如圖5 所示。可飽和磁芯線圈在通過正常直流電源電流時磁芯飽和,電感量很小,不會影響直流電源電路設計正常上作。一旦直流電源電流要反向時,磁芯線圈將產生很大的反電動勢,阻止反向直流電源電流的上升。因此,將它與二極管D 串聯就能有效地抑制二極管D的反向浪涌直流電源電流。
6.2.3 傳統準諧振技術
一般來說,可以采用軟開關技術來解決開關管的問題,如圖6 所示。圖6 給出了開關管工作在軟開關條件下的開關軌跡。軟開關技術主要減小開關管上的開關損耗,也可以抑制開關管上的電磁干擾。在所有的軟開關技術中,準諧振抑制開關管上電磁干擾的效果比較好,所以本文以準諧振技術為例,介紹軟開關技術抑制EMI。所謂準諧振就是開關管在直流電源電壓谷底開通,見圖7。開關中寄生電感與電容作為諧振元件的一部分,可完全控制開關導通時直流電源電流浪涌與斷開時直流電源電壓浪涌的發生。采用這種方式不僅能把開關損耗減到很小,而且能降低噪聲。谷底開關要求關斷時間中儲存在中的能量必須在開關開通時釋放掉。它的平均損耗為,由此公式可以看出,減小會導致大大降低,從而減小開關上的應力,提高效率,減小dv/dt,即減小EMI。
6.2.4 LLC 串聯諧振技術
圖8 為LLC 串聯諧振的拓撲結構。從圖中可以看出,兩個主開關Ql 和Q2 構成一個半橋結構,其驅動信號是固定50%占空比的互補信號,電感Ls、電容Cs 和直流電源變壓器的勵磁電感Lm構成一個LLC 諧振網絡。在LLC 串聯諧振變換器中,由于勵磁電感Lm 串聯在諧振回路中,開關頻率可以低于LC 的本征諧振頻率fs,而只需高于LLC 的本征諧振頻率fm 便可實現主開關的零直流電源電壓開通。所以,LLC 串聯諧振可以降低主開關管上的EMI,把電磁輻射干擾 (EMI)減至最少。在LLC 諧振拓撲中,只要諧振直流電源電流還沒有下降到零,頻率對輸出直流電源電壓的調節趨勢就沒有變,即隨著頻率的下降輸出直流電源電壓將繼續上升,同時由于諧振直流電源電流的存在,半橋上下兩個主開關的零直流電源電壓開通條件就得以保證。因此,LLC 諧振變換器的工作頻率有一個下限,即Cs 與Ls 和Lm 的串聯諧振頻率 fm。在工作頻率范圍fm<f<fs 內,原邊的主開關均工作在零直流電源電壓開通的條件下,并且不依賴于負載直流電源電流的大小。同時,副邊的整流二極管工作在斷續或臨界斷續狀態下,整流二極管可以零直流電源電流條件下關斷,其反向恢復的問題得以解決,不再有直流電源電壓尖峰產生。
6.2.5 抑制方法對比分析研究
采用并聯RC 吸收直流電源電路設計和串聯可飽和磁芯線圈均為簡單常用的方法,主要是抑制高直流電源電壓和浪涌直流電源電流,起到吸收和緩沖作用,其對EMI 的抑制效果相比準諧振技術與LLC 串聯諧振技術較差。下面著重對準諧振技術與LLC 串聯諧振技術進行比較分析。在準諧振中加入RCD 緩沖直流電源電路設計,即由二極管,電容器和電阻組成的尖峰直流電源電壓吸收直流電源電路設計,其主要作用是用來吸收MOSFET功率開關管在關斷時產生的上升沿尖峰直流電源電壓能量,減少尖峰直流電源電壓幅值,防止功率開關管過直流電源電壓擊穿。但是,這樣將會增加損耗,而且由于緩沖直流電源電路設計中采用了二極管,也將增加二極管的反向恢復問題。由上述分析可以看出,準諧振技術主要減小開關管上的開關損耗,也可以抑制開關管上的電磁干擾,但是它不能抑制二極管上的電磁干擾,而且當輸入直流電源電壓增大時,頻率提高;當輸出負載增大時,頻率降低,所以它的抑制效果不是很好,一般不能達到人們所希望的結果。所以如果想得到更好的抑制效果,必須解決二極管上的反向恢復問題,這樣抑制效果才能令人們滿意。LLC 串聯諧振拓撲結構比準諧振抑制EMI 的效果好。其優點已在上面進行了分析。
6.2.6 結語
隨著開關直流電源技術的不斷發展,其體積越來越小,功率密度越來越大,EMI 問題已經成為開關直流電源穩定性的一個關鍵因素。開關直流電源內部開關管及二極管是EMI 主要發生源。本文主要介紹了四種抑制開關管及二極管EMI 的方法并進行了分析對比,目的是找到更為有效的抑制EMI 的方法。通過分析對比得出LLC 串聯諧振技術的抑制效果較好,而且其效率隨直流電源電壓升高而升高,其工作頻率隨直流電源電壓變化較大,而隨負載的變化較小。
- 上一篇:深入分解充電機變換器電路圖的應用 2017/6/8
- 下一篇:直流電源模電和直流電源數電-一對孿生兄弟的自白 2017/6/7
