如何防止充電機浪涌電壓沖擊功率因數控制電路?
大都用到直流充電機轉換器或電機變頻器的商品設備有必要對市電溝通電壓進行整流處理,例如,大大都工業設備(電機轉速操控器、充電機、電信體系電源等)和多見的花費電子商品。
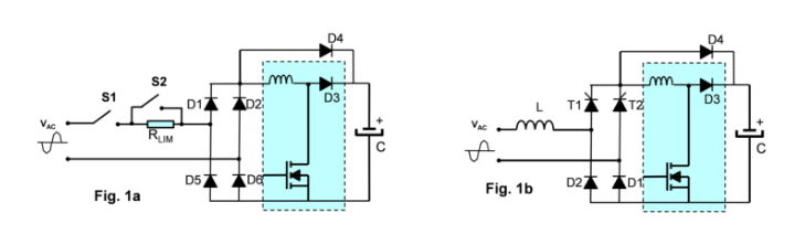
傳統二極管整流橋是最常用的溝通電壓整流充電機充電解決方案。整流橋后面經常會添加一個充電機功率因數操控器,以保證市電電流的波形近似于正弦波。不過,二極管整流橋無法操控涌流。用兩個可控硅整流管(SCR)代替兩個二極管,新的操控型整流橋能夠約束銜接市電時的涌流。
本文提出幾個前端拓撲以及一些與混合式整流橋和有用防止過壓有關的規劃竅門。試驗成果證實,4 kV至6 kV浪涌電壓耐受規劃是很簡單完成的,而且本錢也不高。
涌流約束方案(ICL)和待機功耗疑問
二極管整流橋的缺陷是無法操控浪涌電流,這是由于在插入市電插座時,直流充電機充電機輸出電容會俄然充電機充電。
浪涌流也許會給體系帶來許多疑問,例如,穩妥失效、二極管等元件損壞,一起還會在電網上發生過多的電流應力。假如不對涌流加以約束,啟動電流上升速率很快,很簡單到達穩態電流的10-20倍,因而,有必要進步充電機線路元器件的參數,使其能夠短時刻傳輸大電流。此外,充電機線路電流俄然進步將會致使電壓驟降,電壓動搖將會下降其它負載的輸入充電機功率。銜接在同一條充電機線路的燈具或顯示屏將會忽明忽暗,出現閃耀或閃屏景象。為防止這些有害景象,IEC 61000-3-3電磁規范規則了最大容許電壓動搖和最大容許涌流。
為了到達這個規范請求,常用限流辦法是選用一個阻值固定的電阻器或一個熱敏電阻器 (圖1 a中的RLIM)約束電容器涌流。熱敏電阻器一般具有負溫度系數特性(NTC),因而,熱敏電阻在低溫即啟動時阻抗大,穩態時阻抗小。為了在穩態時操控電阻自身耗費的充電機功率,需求選用低阻值的電阻器。一個更好的充電機充電解決辦法是給電阻并聯一個開關,構成一個旁路,在穩態時接通開關,電流繞過電阻。
這種旁路開關一般選用機械繼電器(圖1 a中的S2 )。這個充電機充電解決方案的缺陷是RLIM電阻一直銜接市電充電機線路,即便使用設備進入待機形式,也照舊給二極管整流橋供電。由于直流充電機電容器(C)依然處于充電機充電狀況,所以存在待機充電機功率損耗。為下降充電機功率損耗,有必要給市電充電機線路串聯一個開關(圖1 a中的S1),該開關在設備進入待機形式時開路,這么就能斷開二極管整流橋與充電機線路的銜接。
混合式整流橋是一個更加智能的涌流約束充電機充電解決方案,如圖1b所示。利用可控硅整流管(SCR) 的漸進式軟啟動,向充電機輸出電容慢速充電機充電,然后完成對涌流的約束。在充電機線路電壓的每半個周期結束時激活可控硅整流管,這時施加到電容器的電壓被下降。經過逐步下降可控硅整流管導通延時,延伸可控硅整流管導通時刻,以此進步直流充電機電容器上的施加的電能。
假如給充電機線路串聯一個電感器(圖1b中的L),這個充電機充電解決方案就會見效。在實踐使用中,這個電感器是免費的,由于根據直流充電機橋的使用大都都有開關式電源或電機變頻器,不管是哪一種,都需求一個高頻開關濾波器。大都EMI濾波器都有一個共模電感器,發生雜散差分式電感。
這個充電機充電解決方案還需求一個輔佐電源,用于在直流充電機充電機輸出電容器充電機充電前給微操控器供電,保證可控硅整流管的軟啟動操作。
圖1: 根據電阻器和繼電器的電涌限流充電機電路 (a)和根據混合整流橋的電涌限流充電機電路(b)
因而,這個約束涌流并操控待機損耗全體計劃是用兩個可控硅整流管代替一個限流電阻器和兩個繼電器。與機械繼電器技能比較,半導體固態繼電器成本低價,并克服了機械繼電器的下列缺陷:
· 線圈致使的操控電流耗費大
· 機械振動致使的開關開路
· 機械觸點發生的聲學噪聲
· 在易燃環境導致火災(開關電?。?/span>
· 可靠性低(在高直流充電機電壓或電流時的繼電器開關操作)
前端維護向浪涌電壓過渡
像二極管整流橋相同,混合式整流橋也與市電插座直接相連,如果有浪涌電壓,很可能會焚毀整流橋和PFC芯片(例如,圖1中的旁通二極管D4)。
依照IEC61000-4-5標準描繪的抗浪涌沖擊試驗過程,有必要施加不同相角的正負浪涌電壓。
在市電峰壓時施加正浪涌電壓
我們在90°相角施加4KV正浪涌電壓,如圖2的示意圖所示 (無PFC)。為模仿最惡劣的使用環境,我們為L選用一個2 ?H電感,C是一個100 ?F電容??煽毓枵鞴苁莾蓚€50A的TN5050H-12WY,而D1、D2和D4二極管(PFC旁通二極管)是STBR6012-Y整流管。
在 90°相角時,T1和D1導通。浪涌進步電流,并致使D4導通,由于PFC電感保持電壓。浪涌電流旁通二極管D4,防止焚毀PFC續流二極管(D3)。
圖2: 正浪涌電壓期間的過流應力(示意圖,D4是PFC旁通二極管)
如圖2所示,在浪涌期間,T1電流峰值達到1730 A (D1和D4電流也同樣達到這個數值)。電流脈寬相當于30 ?s長的半正弦波。這個電流應力數值遠遠低于STBR6012-Y和 TN5050H-12WY的承受范圍。
如果施加的涌流高于可控硅整流管或二極管的電流耐受能力范圍,有兩種方法可以降低過流(兩種方法可一起使用):
· 提高差分電感的方法雖然有助于降低峰值電流,但也會使過流脈寬小幅提高。
· 在充電機線路輸入端加一個充電機電路變阻器,有助于降低充電機電路受到的峰壓沖擊,同時也會降低過流。
如圖2所示所示,浪涌電流將VDC 充電機輸出電壓提升到650 V。這個電壓反向施加到T2(因為當T1導通時,二極管D1也同時導通) 和D2。因此,必須使用至少800 V的器件,TN5050H-12WY和STBR6012-Y是1200 V,電壓裕度很高。
如果反向電壓超出可控硅整流管或二極管的耐受范圍,用一個電容值更大的充電機輸出電容或內部寄生效應很低的電容串聯一個電阻器,可以更有效地控制浪涌電壓。
在市電峰壓時施加負浪涌電壓
如果施加的負浪涌電壓是90°相角,混合式整流橋的工作方式就有點復雜了。
圖3所示給出了這種情況的充電機電路通斷序列
· A階段:在浪涌施加前混合式整流橋正常工作,VAC 是正電壓,T1和D1導通,充電機線路電流(IL, 綠色虛線)從L流至N,途經T1、D1和充電機輸出電容。
· B階段:施加負浪涌電壓,因此VAC 極性變負,這意味著,負電流(紅色虛線)將從N流至L。
· C階段:在VAC 電壓變負后,充電機線路電流下降。當IL 電流過零時,D1關斷。這意味著,現在整個充電機線路電壓被施加到T2 (VT2 紅色箭頭)。
C階段必須謹慎處理。實際上,如果電壓高于可控硅整流管的擊穿電壓,器件可能被燒毀。
圖3: 90°負浪涌電壓測試混合整流橋的工作序列
基于Transil的保護機制
在可控硅整流管的陽極和柵極之間連接一個過壓保護器件Transil(圖4),可以防止T2在C階段被燒毀。在C階段,電壓將會上升到Transil的擊穿電壓(VBR),觸發 Transil二極管導通,向可控硅整流管柵極施加電流。然后,可控硅整流管導通。圖4描述了這種操作:
· A階段:在第1點結束,VAC 電壓變負。
· B階段:在第2點結束,充電機線路電流電壓過零。
· C階段:T2在第3點導通,電壓高于Transil擊穿電壓,施加到T2的電壓最大值被限制在430 V。然后D2也導通,施加浪涌,給充電機輸出電容充電機充電。
· D階段在第4點后開始。浪涌電流通過T2、D2和D4施加到充電機輸出電容。T1和D1關斷
圖4: 根據TN5050H-12WY可控硅整流管的混合式整流橋90°1 kV負浪涌電壓測驗
咱們在測驗中選用一個1,5KE400CA的Transil二極管。這個二極管可將鉗位電壓的峰值約束到一個極低的水平( 430 V),這一點格外主要。在C期間,D1上的負電壓絕對值是VT2與VDC之和。假如充電機輸出直流充電機電壓是325V,則D1上的負電壓最大值是755 V(在STBR6012-Y的容許范圍內)。電壓值更高的Transil或低電能Transil(1,5KE400CA是一個1500 W Transil)將會致使更高的鉗位電壓,致使更高的電壓施加到D1上。
在T2的柵極與陰極之間銜接的電阻器用于分流Dz transil 二極管充電機輸出的電流,防止dV/dt致使的雜散觸發。
根據充電機電路變阻器的維護機制
假如不想讓可控硅整流管在電壓高于430V時導通,或許當可控硅整流管被Transil觸發時,假如浪涌電流高于SCR ITSM 值,咱們還有一個充電機充電解決辦法,即在整流橋輸入端,將Transil二極管改為電壓抑制器,例如,金屬氧化物充電機電路變阻器(圖4中的綠色虛線)。充電機電路變阻器置于EMI濾波器以后,濾波器阻抗(格外是共式扼流圈的差分式電感)可以約束充電機電路變阻器吸收電流。
并聯多個充電機電路變阻器以非常好地約束浪涌電壓,防止在施加90°相角負浪涌電壓時T2導通(在施加270°相角正浪涌電壓時T1導通)。
浪涌電壓耐受能力取決于充電機電路變阻器的能否將浪涌電壓約束在T1/T2可控硅整流管的VDSM/VRSM 和 D1/D2二極管的VRRM以下??煽毓枵鞴苓^流不再一個難題。例如,并聯四個385 V 14 mm 金屬氧化物充電機電路變阻器(MOV),銜接一個典型的EMI濾波器,當浪涌電壓達到 6 kV 時,混合式整流橋的電壓約束在1100V,遠遠低于TN5050H-12WY VDSM的擊穿電壓和STBR6012-Y整流管的擊穿電壓。因而,該充電機電路典型情況下可以耐受6 kV浪涌沖擊。
結論
為何挑選這個拓撲?
下降充電機功率損耗、外觀尺度,一起進步可靠性(相對于繼電器和被迫限流器)。
用新一代可控硅整流管和前端拓撲完成的穩健的充電機充電解決方案。
- 上一篇:減輕直流穩壓電源米勒電容所引起的寄生導通效應 2017/7/25
- 下一篇:5V參考直流穩壓電源電壓電路出現P0641和P0651故障碼 2017/7/24
