一文詳解電動汽車蓄電池充電機充電電路設計技術
跟著現代高新技能的開展和當今世界環境、動力兩大難題的日益突出,電力驅動車輛又成為轎車工業研討、開發和運用的熱門。世界各國從20 世紀80年代開端,掀起了大規模的開發電動轎車的高潮。但電動轎車的市場化一直受到一些關鍵技能的困擾。其間,比較突出的一個問題就是保證電動轎車電池組安全、高效、用戶友愛、結實、性價比高的充電機充電技能。1
1充電機充電技能
電動轎車電池充電機充電是電動轎車投入市場前,有必要處理的關鍵技能之一。電動轎車電池充電機充電一般選用兩種根本辦法:觸摸式充電機充電和感應耦合式充電機充電。
觸摸式充電機充電
觸摸式充電機充電方法選用傳統的觸摸器,運用者把充電機充電源接頭銜接到轎車上。其典型示例如圖1所示。這種方法的缺點是:導體暴露在外面,不安全。并且會因屢次插拔操作,引起機械磨損,導致觸摸松動,不能有用傳輸電能。
圖1 觸摸式充電機充電示意圖
感應耦合式充電機充電
感應耦合式充電機充電方法,即充電機充電源和轎車接受設備之間不選用直接電觸摸的方法,而選用由別離的高頻變壓器組合而成,經過感應耦合,無觸摸式地傳輸能量。選用感應耦合式充電機充電方法,能夠處理觸摸式充電機充電方法的缺點。
圖2給出電動轎車感應耦合充電機充電體系的簡化功率流圖。圖中,輸入電網交流電經過整流后,經過高頻逆變環節,經電纜傳輸經過感應耦合器后,傳送到電動轎車輸入端,再經過整流濾波環節,給電動轎車車載蓄電池充電機充電。
圖2 EV感應耦合充電機充電體系簡化功率流圖
感應耦合充電機充電方法還可進一步規劃成無須人員介入的全自動充電機充電方法。即感應耦合器的磁耦合設備原副邊之間分開更大間隔,充電機充電源安裝在某一固定地址,一旦轎車停靠在這一固定區域方位上,就能夠無觸摸式地接受充電機充電源的能量,完成感應充電機充電,然后無須轎車用戶或充電機充電站作業人員的介入,完成了全自動充電機充電。
2感應耦合充電機充電規范—SAE J-1773
為完成電動轎車市場化,美國轎車工程協會依據體系要求,擬定了相應的規范。其間,針對電動轎車的充電機充電器,擬定了SAE J-1772和SAE J-1773兩種充電機充電規范,別離對應于觸摸式充電機充電方法和感應耦合充電機充電方法。電動轎車充電機充電體系制造商在規劃研制及出產電動轎車充電機充電器中,有必要符合這些規范。
SAE J-1773規范給出了對美國境內電動轎車感應充電機充電耦合器最小實踐尺度及電氣功用的要求。
充電機充電耦合器由兩部分組成:耦合器和轎車插座。其組合適當于作業在80~300kHz頻率之間的原副邊別離的變壓器。
關于感應耦合式電動轎車充電機充電,SAEJ-1773引薦選用三種充電機充電方法,如表1所示。關于不同的充電機充電方法,充電機充電器的規劃也會相應地不同。其間,最常用的方法是家用充電機充電方法,充電機充電器功率為6.6kW,更高功率級的充電機充電器一般用于充電機充電站等場合。
依據SAE J-1773規范,感應耦合器能夠用圖3所示的等效電路模型來表明。
圖3 感應耦合器等效電路模型
變壓器原副邊別離,具有較大的氣隙,歸于松耦合磁件,磁化電感相對較小,在規劃改換器時,有必要充分考慮這一較小磁化電感對電路規劃的影響。
在規劃中仍須考慮功率傳輸電纜。盡管SAE J-1773規范中沒有列入這一項,但在實踐規劃中有必要考慮功率傳輸電纜的體積、分量和等效電路。因為傳輸電纜的尺度主要與傳輸電流的等級有關,因此,減小充電機充電電流能夠相應地減小電纜尺度。為了使電纜功率損耗最小,能夠選用同軸電纜,在作業頻率段進行優化。此外,電纜會引進附加阻抗,增大變壓器的等效漏感,在功率級的規劃中,有必要考慮其影響。關于5m長的同軸電纜,典型的電阻和電感值為:Rcable=30mΩ;Lcable=0.5~1μH。
3對感應耦合充電機充電改換器的要求
依據SAE J-1773規范給出的感應耦合器等效電路,銜接電纜和電池負載的特性,能夠得出感應耦合充電機充電改換器應當滿意以下規劃規范。
電流源高頻鏈
感應耦合充電機充電改換器的副邊濾波電路安裝在電動轎車上,因此,濾波環節選用容性濾波電路將簡化車載電路,然后減輕整個電動轎車的分量。關于容性濾波環節,改換器應當為高頻電流源特性。此外,這種電流源型電路對改換器作業頻率改變和功率等級改變的靈敏程度相對較小,因此,比較簡單一起考慮三種充電機充電形式進行電路規劃。并且,副邊選用容性濾波電路,副邊二極管無須選用過壓箝位辦法。
主開關器材的軟開關
感應耦合充電機充電改換器的高頻化能夠減小感應耦合器及車載濾波元件的體積分量,完成電源體系的小型化。但跟著頻率的不斷增高,選用硬開關作業方法的改換器,其開關損耗將大大增高,下降了改換器功率。因此,為了完成更高頻率、更高功率級的充電機充電,有必要保證主開關器材的軟開關,減小開關損耗。
恒頻或窄頻率改變規模作業
感應耦合充電機充電改換器作業于恒頻或窄頻率改變規模有利于磁性元件及濾波電容的優化規劃,一起,有必要防止作業在無線電帶寬,嚴格控制這個區域的電磁干擾。關于變頻作業,輕載對應高頻作業,重載對應低頻作業,有利于不同負載情況下的功率共同。
輸入單位功率因數
感應耦合充電機充電改換器作業在高頻,會對電網形成諧波污染。感應充電機充電技能要得到大眾認可,取得廣泛運用,有必要采納有用辦法,如功率因數校對或無功補償等技能,約束電動轎車感應耦合充電機充電改換器進入電網的總諧波量。就現在而言,充電機充電改換器有必要滿意IEEE519?1992規范或相似的規范。要滿意這些規范,加大了感應耦合充電機充電改換器輸入部分及整機的雜亂程度,增加了本錢。并且,依據不同充電機充電等級要求,感應耦合充電機充電改換器能夠挑選兩級結構(前級為PFC+后級為充電機充電器電路)或PFC功用與充電機充電功用一體化的單級電路。
4改換器拓撲挑選
依據SAE J-1773給出的感應耦合器等效電路元件值,及上述的規劃考慮,這兒對適用于三種不同充電機充電形式的改換器拓撲進行了調查。
如圖2所示,電動轎車車載部分包含感應耦合器的插孔部分及AC/DC整流及容性濾波電路。首先,對直接銜接電容濾波的整流電路進行調查。合適選用的整流方法有半波整流,中心抽頭全波整流及全橋整流。其間,半波整流對變壓器的利用率低;全波整流需求副邊為中心抽頭銜接的兩個繞組,增加了車載電路的分量和體積;全橋整流對變壓器利用率高,比較合適用于這種場合。
圖4給出基于以上考慮的感應耦合充電機充電改換器原理框圖。圖中,輸出整流選用全橋整流電路,輸出濾波器選用電容濾波,輸入端選用了PFC電路以約束進入電網的總諧波量不會超支,這兒選用的是獨自規劃的PFC級。低功率時,PFC也可與主充電機充電改換器合為帶PFC功用的一體化充電機充電電路。
圖4 感應耦合充電機充電改換器原理框圖
如前所述,充電機充電器規劃中很重要的一個考慮是感應耦合器匝比的合理選取。為使規劃規范化,按3種充電機充電形式規劃的感應耦合充電機充電改換器都有必要能夠選用相同的電動轎車插座。約束充電機充電器高頻變壓器副邊匝數的要素包含功率規模寬,電氣規劃約束和機械規劃約束。典型的耦合器規劃其副邊匝數為4匝。關于低充電機充電等級,一般選用1∶1的匝比,關于高充電機充電等級,一般選用2∶1的匝比。
關于30kW·h以內的儲能能力,隨充電機充電狀況不同,電動轎車電池電壓在DC 200~450V規模內改變,改換器拓撲應當能夠在這一電池電壓改變規模內供給所需的充電機充電電流。
5充電機充電形式
這是電動轎車的一種應急充電機充電形式,充電機充電較慢。按這種形式規劃的充電機充電器通常隨電動轎車帶著,在沒有規范充電機充電器的情況下運用,然后有必要體積小,分量輕,并且本錢低。依據這些要求,可選用單級高功率因數改換器,下降整機體積,分量,下降本錢,取得較高的整機功率。圖5給出一種備選計劃:兩個開關管的阻隔式 Boost改換器。在不選用輔佐開關時,單級Boost級電路供給PFC功用并調理輸出電壓。當輸入電壓為AC 120V時,輸入電壓峰值為170V,因為變壓器副邊匝數為4匝,輸出電壓的調理規模為DC 200~400V,因此變壓器能夠選用1∶1的匝比,原邊繞組均選用4匝線圈。典型的電壓電流波形如圖6所示。
圖5 兩個開關管的阻隔式Boost改換器
圖6 充電機充電電壓電流波形圖
當原邊開關管S1及S2均注冊時,能量貯存在輸入濾波電感中,一起輸出整流管處于關斷態。當開關管S1及S2中任一個開關管關斷時,貯存能量經過原邊繞組傳輸到副邊。因為改換器的對稱作業,變壓器磁通得以復位平衡。
假定變壓器匝比為1∶1,最大輸入電壓為170V,則輸出電壓為DC 200V時占空比為0.15,輸出電壓為DC 475V時占空比為0.5。如圖5所示,主開關管上的電壓應力為2VB。當輸出電壓為DC 400V時,開關管電壓應力是DC 800V,這一電壓應力適當高。并且,因為傳輸電纜和感應耦合器的漏感,器材電壓應力可能會更高。為了約束器材最大電壓應力,能夠選用圖5所示的無損吸收電路。但無論是在哪種情況下,都有必要選用1200V電壓定額的器材。因高耐壓的MOSFET的導通電阻較高,導通損耗就會很大。因此,要考慮選用低導通壓降的高壓IGBT。但IGBT器材開關損耗也約束了開關頻率的進步。
關于1.5kW功率等級,輸入電流有用值為15A,均勻開關電流是13A,峰值電流為22A,需求電流定額至少為30A的開關器材。盡管這個計劃供給了比較簡單的單級功率改換,但也存在一些缺點,如半導體器材接受的電壓應力較高、輸出電壓調理功用差,輸出電流紋波大。
為了下降器材的開關損耗,能夠選用圖5所示的軟開關電路。給MOSFET規劃的關斷延時保證了IGBT的ZVS關斷。在電流上升形式中,MOSFET分管了輸出濾波電流,其電壓應力為IGBT的一半。然后,能夠選用600V的器材。一起,因關斷損耗的下降,開關頻率得以進步。
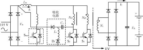
另一個下降器材電壓定額的計劃是選用兩級改換結構。前級PFC校對環節能夠選用帶有軟開關功用的Boost改換器,答應高頻作業。后級DC/DC功率改換級,能夠選用半橋串聯諧振改換器,供給高頻電流鏈。圖7給出了適用于充電機充電形式的兩級功率改換電路結構圖。
圖7 充電機充電形式選用的兩級功率改換電路結構圖
若輸入電網電壓是AC 115V,為了下降DC/DC改換器的電流定額,輸出電壓能夠提升到DC 450V。這樣Boost級功率開關管能夠選用500~600V的MOSFET,半橋改換器的開關器材能夠選用300~400V的MOSFET。因為選用半橋作業,感應耦合器能夠選用1∶2的匝比。若原邊繞組為4匝,則副邊繞組為8匝。Boost開關管的電流定額是30A,而半橋改換器開關管的電流定額是 20A。
小結
本文依據SAEJ-1773對感應耦合器的規定,對電動轎車供電電池的充電機進行了評論。給出了充電機充電形式的電路拓撲分析圖,最終給出了別離合適于不同充電機充電等級的備選改換器拓撲計劃。
- 上一篇:物聯網系統中充電機充電蓄電池的使用壽命計算方法解析 2017/9/13
- 下一篇:充電機充電鋰電池企業能否撼動新能源轎車這塊大蛋糕? 2017/9/13
