LLC全橋直流變換器電動汽車蓄電池充電機設計方案
2018-9-19 9:41:52??????點擊:
基于LLC諧振變換的全橋直流變換器,分析全橋諧振電路蓄電池充電機工作的諧振頻率,研究能夠實現ZVS和ZCS的條件,介紹諧振電感和諧振電容的選擇、主變壓器的參數設計以及主要器件的參數影響。根據國標設計直流-直流蓄電池充電機模塊,進行試驗驗證,分析實驗效果。
2017年我國的電動汽車銷量達到77.7萬輛,新能源汽車產業得到快速的發展,但也面臨一些問題,例如充電樁的建設距離1∶1的配置比例還有較大距離等情況。直流快速充電樁能快速充電,是當前建設的重點,得到廣泛的研究。
研究熱點包括模塊化蓄電池充電機技術、LLC諧振變化控制技術、三相APFC技術等方面[1]。在直流-直流變換器領域,多采用全橋隔離拓撲結構,大量應用移相全橋的軟開關技 術[6],當前LLC諧振技術成為研究的熱點,可以大大提高直流-直流變換器的效率[8]。
全橋諧振直流-直流變換電路具有結構簡單、效率高、功率大的特點。本文研究基于LLC諧振全橋直流-直流變換電路具體的參數設計過程,分析電路參數的影響,應用于實際產品的工程設計。
1 蓄電池充電機直流-直流變換器的特點
直流充電樁的直流母線電壓一般為800V,如果直接采用橋式變換電路,很難選取合適的開關管,為了設計方便和效率優化,系統中選取中點電壓的參考電壓,做了兩個400V直流-直流的變換電路。DC-DC部分采用DSP控制,拓撲架構采用兩個LLC全橋諧振變換電路原邊串聯,輸出并聯的方案,對于大電流的輸出也可以利用同步整流技術整流。
全橋諧振變換器對比半橋諧振變換器,多了一個橋臂,諧振電容、諧振電感和勵磁電感構成諧振回路,勵磁電感為隔離變壓器的內部電感,半橋諧振電路如圖1所示。
傳統LLC全橋諧振變換電路控制多采用模擬控制芯片實現,如UCC6599等,根據輸出電壓或電流誤差大小控制移相角,實現穩定輸出。數字控制的基本思路同傳統模擬控制相同,差別是數字控制處理的是數字信號,并且可以方便的實現比較復雜的控制策略,不像模擬控制需要大量的外圍線路。
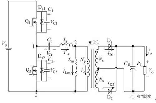
LLC全橋諧振變換電路變換器采用改進型主拓撲結構,利用輔助電感實現滯后臂的ZVS,其拓撲結構如圖2所示。

圖1 LLC諧振變換器的原理圖

圖2 LLC諧振全橋直流變換器的原理圖
其中,Q1、Q2、Q3、Q4為主開關,采用兩個變壓器原邊串聯副邊并聯的輸出結構,對于低壓輸出的蓄電池充電機,還可以采用同步整流技術,進一步降低通態損耗。Lr、Cr分別為諧振電感和諧振電容。全橋LLC電路的工作過程和半橋LLC電路具有相似性,可以利用半橋諧振的工作過程進行分析,本文以Q1和Q2的電壓電流,作為分析可以得到各個工作階段的具體波形如圖3所示。
在t=t1,整流二極管D2電流降到零,副邊電流開始換向,二極管D1開始導通,保持在續流狀態,勵磁電流在電壓作用下開始增加,變壓器原邊電壓保持在nVO。同時,原邊諧振電流還沒有由負變正,原邊電流通過開關管Q1的寄生二極管進行續流。在t=t2時間,諧振電流也會降到零,開關管電流降到零。
開關管Q1的驅動信號一般在續流電流過零前施加,開關管MOSFET實現零電流關斷。同理,在t=t4時,開關管Q2的驅動信號之前,開關管Vds已經下降為零,實現零電壓開通。通過軟開關,實現全橋DC-DC變換電路的高效率。

圖3 諧振變換器不同階段的工作波形
2 全橋諧振直流-直流變換器參數設計
電動汽車蓄電池充電機的充電過程具有充電平臺,充電過程大部分時間為恒流充電,電池容量較小時,電壓較低;電池容量接近充滿時,電池電壓快速上升,這時應該切換恒壓充電模式。電池的整個充電過程,電壓具有比較大的跨度,這要求直流-直流變換器具有較好的調壓功能。
本文采用全橋式LLC變換電路,通過變壓器調整電壓的變比,以實現高壓輸出;LLC電路要設計的參數比較多,與變換器的工作狀態有很大關系。本文在設計中主要考慮的是直流母線電壓和充電輸出電壓的范圍、充電輸出最大功率和充電曲線響應性能、開關頻率范圍等指標。
2.1 主變壓器參數設計(略)
全橋諧振變換器的變壓器匝比的設計需要考慮母線電壓和充電平臺電壓的關系,結合LLC變換器的開關頻率以及對應的增益范圍進行分析,蓄電池充電機的直流母線電壓本文設定為800V的直流母線,兩個全橋串聯工作,單個為400V DC,在LLC全橋直流變換器中,變換器增益主要由開關頻率決定,不同的K值對應的增益曲線如圖4所示。
根據全橋諧振電路的增益曲線特性,不同的K值條件下,開關管開關工作頻率等于諧振頻率時,原邊電流都能實現開關管的零電壓開通和零電流關斷,在LLC變換器充電系統中,把電池充電較長的電壓設定為諧振頻率,直流直流變換器的開關損耗最小,變換器的工作效率最高。

圖4 全橋LLC變換器的增益曲線
根據變壓器的匝比分析,變換器的增益設定為1∶1的關系,可以得到

2.2 全橋諧振參數設計(略)
全橋諧振變換器設計中,優先設計勵磁電感與諧振電感的比值。勵磁電感與諧振電感的比值通常標識為k值。在諧振變換器的工作頻率低于諧振頻率fr時輸出電壓升高,在高輸入電壓的情況下,可以降低開關頻率,滿足開關管實現軟開關的條件,這樣變換器可以在輸入電壓波動的情況下優化變換器的輸出效率。同時在輕載情況下,也可以減小輕載時的開關頻率,方便變換器在空載時的調壓。變換器原邊電感存儲的剩余能量,可以實現開關管在輕載時的軟開關。
3 實驗結果(略)
根據本文參數分析,設計一套實驗樣機,根據電動汽車國家標準,輸出額定電壓選擇440V DC規格,輸出電壓范圍設定為200~450V DC;輸入電壓為直流母線的輸出,電壓穩定在760V DC左右,DC-DC采用兩個全橋直流變換器串聯的辦法,直流蓄電池充電機一般采用模塊化設計,本實驗樣機的模塊輸出額定功率為3500W,開關頻率設定為100~500kHz,輸入電壓較高時,采用調節PWM輸出的辦法降低輸出電壓。
本樣機的充電平臺電壓設定為360V,可以滿足小轎車的充電要求。本樣機的工作電流較小,未采用同步整流方案。
結論
本文根據直流快速蓄電池充電機的技術要求,設計全橋諧振直流直流變換電路。采用LLC諧振的基本拓撲,分析全橋諧振變換器的工作特點,介紹實現ZVS和ZCS的工作過程,研究了全橋諧振變換器的變壓器參數和諧振電感等參數的設計方法。設計試驗樣機,對比不同方案的效率,驗證了基于諧振變換的全橋諧振直流-直流變換器的優點。
2017年我國的電動汽車銷量達到77.7萬輛,新能源汽車產業得到快速的發展,但也面臨一些問題,例如充電樁的建設距離1∶1的配置比例還有較大距離等情況。直流快速充電樁能快速充電,是當前建設的重點,得到廣泛的研究。
研究熱點包括模塊化蓄電池充電機技術、LLC諧振變化控制技術、三相APFC技術等方面[1]。在直流-直流變換器領域,多采用全橋隔離拓撲結構,大量應用移相全橋的軟開關技 術[6],當前LLC諧振技術成為研究的熱點,可以大大提高直流-直流變換器的效率[8]。
全橋諧振直流-直流變換電路具有結構簡單、效率高、功率大的特點。本文研究基于LLC諧振全橋直流-直流變換電路具體的參數設計過程,分析電路參數的影響,應用于實際產品的工程設計。
1 蓄電池充電機直流-直流變換器的特點
直流充電樁的直流母線電壓一般為800V,如果直接采用橋式變換電路,很難選取合適的開關管,為了設計方便和效率優化,系統中選取中點電壓的參考電壓,做了兩個400V直流-直流的變換電路。DC-DC部分采用DSP控制,拓撲架構采用兩個LLC全橋諧振變換電路原邊串聯,輸出并聯的方案,對于大電流的輸出也可以利用同步整流技術整流。
全橋諧振變換器對比半橋諧振變換器,多了一個橋臂,諧振電容、諧振電感和勵磁電感構成諧振回路,勵磁電感為隔離變壓器的內部電感,半橋諧振電路如圖1所示。
傳統LLC全橋諧振變換電路控制多采用模擬控制芯片實現,如UCC6599等,根據輸出電壓或電流誤差大小控制移相角,實現穩定輸出。數字控制的基本思路同傳統模擬控制相同,差別是數字控制處理的是數字信號,并且可以方便的實現比較復雜的控制策略,不像模擬控制需要大量的外圍線路。
LLC全橋諧振變換電路變換器采用改進型主拓撲結構,利用輔助電感實現滯后臂的ZVS,其拓撲結構如圖2所示。

圖1 LLC諧振變換器的原理圖

圖2 LLC諧振全橋直流變換器的原理圖
其中,Q1、Q2、Q3、Q4為主開關,采用兩個變壓器原邊串聯副邊并聯的輸出結構,對于低壓輸出的蓄電池充電機,還可以采用同步整流技術,進一步降低通態損耗。Lr、Cr分別為諧振電感和諧振電容。全橋LLC電路的工作過程和半橋LLC電路具有相似性,可以利用半橋諧振的工作過程進行分析,本文以Q1和Q2的電壓電流,作為分析可以得到各個工作階段的具體波形如圖3所示。
在t=t1,整流二極管D2電流降到零,副邊電流開始換向,二極管D1開始導通,保持在續流狀態,勵磁電流在電壓作用下開始增加,變壓器原邊電壓保持在nVO。同時,原邊諧振電流還沒有由負變正,原邊電流通過開關管Q1的寄生二極管進行續流。在t=t2時間,諧振電流也會降到零,開關管電流降到零。
開關管Q1的驅動信號一般在續流電流過零前施加,開關管MOSFET實現零電流關斷。同理,在t=t4時,開關管Q2的驅動信號之前,開關管Vds已經下降為零,實現零電壓開通。通過軟開關,實現全橋DC-DC變換電路的高效率。

圖3 諧振變換器不同階段的工作波形
2 全橋諧振直流-直流變換器參數設計
電動汽車蓄電池充電機的充電過程具有充電平臺,充電過程大部分時間為恒流充電,電池容量較小時,電壓較低;電池容量接近充滿時,電池電壓快速上升,這時應該切換恒壓充電模式。電池的整個充電過程,電壓具有比較大的跨度,這要求直流-直流變換器具有較好的調壓功能。
本文采用全橋式LLC變換電路,通過變壓器調整電壓的變比,以實現高壓輸出;LLC電路要設計的參數比較多,與變換器的工作狀態有很大關系。本文在設計中主要考慮的是直流母線電壓和充電輸出電壓的范圍、充電輸出最大功率和充電曲線響應性能、開關頻率范圍等指標。
2.1 主變壓器參數設計(略)
全橋諧振變換器的變壓器匝比的設計需要考慮母線電壓和充電平臺電壓的關系,結合LLC變換器的開關頻率以及對應的增益范圍進行分析,蓄電池充電機的直流母線電壓本文設定為800V的直流母線,兩個全橋串聯工作,單個為400V DC,在LLC全橋直流變換器中,變換器增益主要由開關頻率決定,不同的K值對應的增益曲線如圖4所示。
根據全橋諧振電路的增益曲線特性,不同的K值條件下,開關管開關工作頻率等于諧振頻率時,原邊電流都能實現開關管的零電壓開通和零電流關斷,在LLC變換器充電系統中,把電池充電較長的電壓設定為諧振頻率,直流直流變換器的開關損耗最小,變換器的工作效率最高。

圖4 全橋LLC變換器的增益曲線
根據變壓器的匝比分析,變換器的增益設定為1∶1的關系,可以得到

2.2 全橋諧振參數設計(略)
全橋諧振變換器設計中,優先設計勵磁電感與諧振電感的比值。勵磁電感與諧振電感的比值通常標識為k值。在諧振變換器的工作頻率低于諧振頻率fr時輸出電壓升高,在高輸入電壓的情況下,可以降低開關頻率,滿足開關管實現軟開關的條件,這樣變換器可以在輸入電壓波動的情況下優化變換器的輸出效率。同時在輕載情況下,也可以減小輕載時的開關頻率,方便變換器在空載時的調壓。變換器原邊電感存儲的剩余能量,可以實現開關管在輕載時的軟開關。
3 實驗結果(略)
根據本文參數分析,設計一套實驗樣機,根據電動汽車國家標準,輸出額定電壓選擇440V DC規格,輸出電壓范圍設定為200~450V DC;輸入電壓為直流母線的輸出,電壓穩定在760V DC左右,DC-DC采用兩個全橋直流變換器串聯的辦法,直流蓄電池充電機一般采用模塊化設計,本實驗樣機的模塊輸出額定功率為3500W,開關頻率設定為100~500kHz,輸入電壓較高時,采用調節PWM輸出的辦法降低輸出電壓。
本樣機的充電平臺電壓設定為360V,可以滿足小轎車的充電要求。本樣機的工作電流較小,未采用同步整流方案。
結論
本文根據直流快速蓄電池充電機的技術要求,設計全橋諧振直流直流變換電路。采用LLC諧振的基本拓撲,分析全橋諧振變換器的工作特點,介紹實現ZVS和ZCS的工作過程,研究了全橋諧振變換器的變壓器參數和諧振電感等參數的設計方法。設計試驗樣機,對比不同方案的效率,驗證了基于諧振變換的全橋諧振直流-直流變換器的優點。
- 上一篇:充電機充電蓄電池在使用時應注意哪些問題 2018/9/19
- 下一篇:基于聚類算法的電動汽車蓄電池充電機充放電分時電價優化 2018/9/15
