充電機電路設計:上/下拉電阻、串聯匹配/0Ω電阻、電容應用
(一)上拉電阻與下拉電阻的應用
一、定義:
1、上拉就是將不確定的信號通過一個電阻嵌位在高電平!電阻同時起限流作用!下拉同理
2、上拉是對充電機器件注入電流,下拉是充電機輸出電流
3、弱強只是上拉電阻的阻值不同,沒有什么嚴格區分
4、對于非集電極(或漏極)開路充電機輸出型充電機充電電路(如普通門充電機充電電路)提升電流和充電機充電電壓的能力是有限的,上拉電阻的功能主要是為集電極開路充電機輸出型充電機充電電路充電機輸出電流通道
二、拉電阻作用:
1、一般作單鍵觸發使用時,如果IC本身沒有內接電阻,為了使單鍵維持在不被觸發的狀態或是觸發后回到原狀態,必須在IC外部另接一電阻。
2、數字充電機充電電路有三種狀態:高電平、低電平、和高阻狀態,有些應用場合不希望出現高阻狀態,可以通過上拉電阻或下拉電阻的方式使處于穩定狀態,具體視設計要求而定!
3、一般說的是I/O端口,有的可以設置,有的不可以設置,有的是內置,有的是需要外接,I/O端口的充電機輸出類似與一個三極管的C,當C接通過一個電阻和充電電源連接在一起的時候,該電阻成為上C拉電阻,也就是說,如果該端口正常時為高電平,C通過一個電阻和地連接在一起的時候,該電阻稱為下拉電阻,使該端口平時為低電平,其作用主要是確保某端口常態時有確定電平:用法示例:當一個接有上拉電阻的端口設為輸入狀態時,他的常態就為高電平,用于檢測低電平的輸入。
4、上拉電阻是用來解決總線驅動能力不足時提供電流的。一般說法是拉電流,下拉電阻是用來吸收電流的,也就是我們通常所說的灌電流。
5、接電阻就是為了防止輸入端懸空。
6、減弱外部電流對芯片產生的干擾。
7、保護cmos內的保護二極管,一般電流不大于10mA。
8、通過上拉或下拉來增加或減小驅動電流。
9、改變電平的電位,常用在TTL-CMOS匹配。
10、在引腳懸空時有確定的狀態。
11、增加高電平充電機輸出時的驅動能力。
12、為OC門提供電流。
三、上拉電阻應用原則:
1、當TTL充電機充電電路驅動COMS充電機充電電路時,若TTL充電機充電電路充電機輸出的高電平低于COMS充電機充電電路的最低高電平(一般為3.5V),這時就需要在TTL的充電機輸出端接上拉電阻,以提高充電機輸出高電平值。注:此時上拉電阻連接的充電機充電電壓值應不低于CMOS充電機充電電路的最低高充電機充電電壓,同時又要考慮TTL充電機充電電路方電流(如某端口最大輸入或充電機輸出電流)的影響。
2、OC門充電機充電電路必須加上拉電阻,才能使用。
3、為加大充電機輸出引腳的驅動能力,有的單片機管腳上也常使用上拉電阻。
4、在COMS芯片上,為了防止靜電造成損壞,不用的管腳不能懸空,一般接上拉電阻產生降低輸入阻抗, 提供泄荷通路。
5、芯片的管腳加上拉電阻來提高充電機輸出電平,從而提高芯片輸入信號的噪聲容限增強抗干擾能力。
6、提高總線的抗電磁干擾能力,管腳懸空就比較容易接受外界的電磁干擾。
7、長線傳輸中電阻不匹配容易引起反射波干擾,加上下拉電阻是電阻匹配,有效的抑制反射波干擾。
8、在數字充電機充電電路中不用的輸入腳都要接固定電平,通過1k電阻接高電平或接地。
四、上拉電阻阻值選擇原則:
1、從節約功耗及芯片的灌電流能力考慮應當足夠大;電阻大,電流小。
2、從確保足夠的驅動電流考慮應當足夠小;電阻小,電流大。
3、對于高速充電機充電電路,過大的上拉電阻可能邊沿變平緩。
綜合考慮以上三點,通常在1k到10k之間選取。對下拉電阻也有類似道理。
對上拉電阻和下拉電阻的選擇應結合開關管特性和下級充電機充電電路的輸入特性進行設定,主要需要考慮以下幾個因素:
1、驅動能力與功耗的平衡。以上拉電阻為例,一般地說,上拉電阻越小,驅動能力越強,但功耗越大,設計是應注意兩者之間的均衡。
2、下級充電機充電電路的驅動需求。同樣以上拉電阻為例,當充電機輸出高電平時,開關管斷開,上拉電阻應適當選擇以能夠向下級充電機充電電路提供足夠的電流。
3、高低電平的設定。不同充電機充電電路的高低電平的門檻電平會有不同,電阻應適當設定以確保能充電機輸出正確的電平。以上拉電阻為例,當充電機輸出低電平時,開關管導通,上拉電阻和開關管導通電阻分壓值應確保在零電平門檻之下。
4、頻率特性。以上拉電阻為例,上拉電阻和開關管漏源級之間的充電機電容和下級充電機充電電路之間的輸入充電機電容會形成RC延遲,電阻越大,延遲越大。上拉電阻的設定應考慮充電機充電電路在這方面的需求。
在集成充電機充電電路中, 吸電流、拉電流充電機輸出和灌電流充電機輸出是一個很重要的概念。
拉電流:拉即泄,主動充電機輸出電流,是從充電機輸出口充電機輸出電流。
灌電流:灌即充,被動輸入電流,是從充電機輸出端口流入
吸電流:吸則是主動吸入電流,是從輸入端口流入
吸電流和灌電流就是從芯片外充電機充電電路通過引腳流入芯片內的電流,區別在于吸收電流是主動,從芯片輸入端流入的叫吸收電流。灌入電流是被動的,從充電機輸出端流入叫灌入電流。
拉電流是數字充電機充電電路充電機輸出高電平給負載提供的充電機輸出電流,灌電流時充電機輸出低電平是外部給數字充電機充電電路的輸入電流,它們實際就是輸入、充電機輸出電流能力。
吸收電流是對輸入端(輸入端吸入)而言的;而拉電流(充電機輸出端流出)和灌電流(充電機輸出端被灌入)是相對充電機輸出端而言的。
(二):充電機串聯匹配電阻的應用
在充電機充電電路設計中,經常需要使用匹配電阻,如閉路電視同軸電纜、時鐘數據線等,如果阻抗不匹配會有什么不良后果呢?如果不匹配,則會形成反射,能量傳遞 不過去,降低效率;會在傳輸線上形成駐波(簡單的理解,就是有些地方信號強,有些地方信號弱),導致傳輸線的有效功率容量降低;功率發射不出去,甚至會損 壞發射設備。
關于充電機串聯匹配電阻其作用:
1、概述:
高速信號線中才考慮使用這樣的電阻,低頻情況下,一般是直接連接。這個電阻有兩個作用:
①阻抗匹配:因為信號源的阻抗很低,跟信號線之間阻抗不匹配,串上一個電阻后,可改善匹配情況,以減少反射,避免振蕩等。
②減少信號邊沿的陡峭程度:可以減少信號邊沿的陡峭程度,從而減少高頻噪聲以及過沖等。因為充電機串聯的電阻,跟信號線的分布充電機電容以及負載的輸入充電機電容等形成一個 RC 充電機充電電路,這樣就會降低信號邊沿的陡峭程度大家知道,如果一個信號的邊沿非常陡峭,含有大量的高頻成分,將會輻射干擾,另外,也容易產生過沖。
2、 詳述(阻抗匹配)
阻抗匹配是指信號源或者傳輸線跟負載之間的一種合適的搭配方式。
阻抗匹配分為低頻和高頻兩種情況討論。
我們先從直流充電機充電電壓源驅動一個負載入手,由于實際的充電機充電電壓源,總是有內阻的,我們可以把一個實際充電機充電電壓源,等效成一個理想的充電機充電電壓源跟一個電阻r充電機串聯的模型。假設負載電阻為R,充電電源電動勢為U,內阻為r,那么我們可以計算出流過電阻R的電流為: I=U/(R+r)
可以看出,負載電阻R越小,則充電機輸出電流越大。
負載R上的充電機充電電壓為:Uo=IR=U/[1+(r/R)]
負載電阻R越大,則充電機輸出充電機充電電壓Uo越高。
再來計算一下電阻R消耗的功率為:
P=I2×R=[U/(R+r)]2×R=U2×R/(R2+2R×r+r2)=U2×R/[(R-r)2+4×R×r]=U2/{[(R-r)2/R]+4×r}
對于一個給定的信號源,其內阻r是固定的,而負載電阻R則是由我們來選擇的注意式中[(R-r)2/R],當R=r時,[(R-r)2/R]可取得最小值0,這時負載電阻R上可獲得最大充電機輸出功率Pmax=U2/(4×r)即,當負載電阻跟信號源內阻相等時,負載可獲得最大充電機輸出功率,這就是我們常說的阻抗匹配之一。對于純電阻充電機充電電路,此結論同樣適用于低頻充電機充電電路及高頻充電機充電電路。當交流充電機充電電路中含有容性或感性阻抗時,結論有所改變,就是需要信號源與負載阻抗的的實部相 等,虛部互為相反數,這叫做共扼匹配。
匹配電阻下低頻充電機充電電路與高頻充電機充電電路的比較:
①、在低頻充電機充電電路中,我們一般不考慮傳輸線的匹配問題,只考慮信號源跟負載之間的情況,因為低頻信號的波長相對于傳輸線來說很長,傳輸線可以看成是“短線”,反射可以不考慮(可以這么理解:因為線短,即使反射回來,跟原信號還是一樣的)。
從以上分析我們可以得出結論:如果我們需要充電機輸出電流大,則選擇小的負載R;如果我們需要充電機輸出充電機充電電壓大,則選擇大的負載R;如果我們需要充電機輸出功率最大,則選擇跟信號源內阻匹配的電阻R。
注:有時阻抗不匹配還有另外一層意思,例如一些儀器充電機輸出端是在特定的負載條件下設計的,如果負載條件改變了,則可能達不到原來的性能,這時我們也會叫做阻抗失配。
②、在高頻充電機充電電路中,我們還必須考慮反射的問題。當信號的頻率很高時,則信號的波長就很短,當波長短得跟傳輸線長度可以比擬時,反射信號疊加在原信號上將會改變原信號的形狀。如果傳輸線的特征阻抗跟負載阻抗不相等(即不匹配)時,在負載端就會產生反射。
為什么阻抗不匹配時會產生反射以及特征阻抗的求解方法,牽涉到二階偏微分方程的求解,在這里我們不細說了,有興趣的可參看電磁場與微波方面書籍中的傳輸線理 論傳輸線的特征阻抗(也叫做特性阻抗)是由傳輸線的結構以及材料決定的,而與傳輸線的長度,以及信號的幅度、頻率等均無關。
例如,常用的閉路電視同軸電纜特性阻抗為75Ω,而一些射頻設備上則常用特征阻抗為50Ω的同軸電纜。另外還有一種常見的傳輸線是特性阻抗為300Ω的扁平平行線, 這在農村使用的電視天線架上比較常見,用來做八木天線的饋線因為電視機的射頻輸入端輸入阻抗為75Ω,所以300Ω的饋線將與其不能匹配實際中是如何解決 這個問題的呢?不知道大家有沒有留意到,電視機的附件中,有一個300Ω到75Ω的阻抗轉換器(一個塑料封裝的,一端有一個圓形的插頭的那個東東,大概有 兩個大拇指那么大)它里面其實就是一個傳輸線變壓器,將300Ω的阻抗,變換成75Ω的,這樣就可以匹配起來了。這里需要強調一點的是,特性阻抗跟我們通常理解的電阻不是一個概念,它與傳輸線的長度無關,也不能通過使用歐姆表來測量為了不產生反射,負載阻抗跟傳輸線的特征阻抗應該相等,這就是傳輸線的阻抗 匹配。如果是充電機充電電路板上的高速信號線與負載阻抗不匹配時,會產生震蕩,輻射干擾等。
當阻抗不匹配時,有哪些辦法讓它匹配呢?
①、可以考慮使用變壓器來做阻抗轉換,就像上面所說的電視機中的那個例子那樣。
②、可以考慮使用充電機串聯/并聯充電機電容或電感的辦法,這在調試射頻充電機充電電路時常使用。
③、可以考慮使用充電機串聯/并聯電阻的辦法,一些驅動器的阻抗比較低,可以充電機串聯一個合適的電阻來跟傳輸線匹配,例如高速信號線,有時會充電機串聯一個幾十歐的電阻。而一 些接收器的輸入阻抗則比較高,可以使用并聯電阻的方法,來跟傳輸線匹配,例如,485總線接收器,常在數據線終端并聯120歐的匹配電阻。
為了幫助大家理解阻抗不匹配時的反射問題,我來舉兩個例子:假設你在練習拳擊——打沙包如果是一個重量合適的、硬度合適的沙包,你打上去會感覺很舒服但是,如果哪一天我把沙包做了手腳,例如,里面換成了鐵沙,你還是用以前的力打上去,你的手可能就會受不了了——這就是負載過重的情況,會產生很大的反彈力相 反,如果我把里面換成了很輕很輕的東西,你一出拳,則可能會撲空,手也可能會受不了——這就是負載過輕的情況。
另一個例子,不知道大家有沒有過這樣的經歷:就是看不清樓梯時上/下樓梯,當你以為還有樓梯時,就會出現“負載不匹配”這樣的感覺了當然,也許這樣的例子不太恰當,但我們可以拿它來理解負載不匹配時的反射情況
附:淺談四層板和33歐電阻
選用四層板不僅是充電電源和地的問題,高速數字充電機充電電路對走線的阻抗有要求,二層板不好控制阻抗。33歐電阻一般加在驅動器端,也是起阻抗匹配作用的;布線時要先布數據地址線,和需要保證的高速線。
在高頻的時候,充電機PCB板上的走線都要看成傳輸線。傳輸線有其特征阻抗,學過傳輸線理論的都知道,當傳輸線上某處出現阻抗突變(不匹配)時,信號通過就會發生 反射,反射對原信號造成干擾,嚴重時就會影響充電機充電電路的正常工作采用四層板時,通常外層走信號線,中間兩層分別為充電電源和地平面,這樣一方面隔離了兩個信號層, 更重要的是外層的走線與它們所靠近的平面形成稱為“微帶”(microstrip) 的傳輸線,它的阻抗比較固定,而且可以計算。對于兩層板就比較難以做到這樣。這種傳輸線阻抗主要與走線的寬度、到參考平面的距離、敷銅的厚度以及介電材料 的特性有關,有許多現成的公式和程序可供計算。
33歐電阻通常串連放在驅動的一端(其實不一定33歐,從幾歐到五、六十歐都有,視充電機充電電路具體情況) ,其作用是與發送器的充電機輸出阻抗串連后與走線的阻抗匹配,使反射回來(假設解收端阻抗沒有匹配)的信號不會再次反射回去(吸收掉),這樣接收端的信號就不會受到影響。接收端也可以作匹配,例如采用電阻并聯,但在數字系統比較少用,因為比較麻煩,而且 很多時候是一發多收,如地址總線,不如源端匹配易做。
注:這里所說的高頻,不一定是時鐘頻率很高的充電機充電電路,是不是高頻不止看頻率,更重要是看信號的上升下降時間。通常可以用上升(或下降)時間估計充電機充電電路的頻率,一般取上升時間倒數的一半,比如如果上升時間是1ns,那么它的倒數是1000MHz,也就是說在設計充電機充電電路是要按500MHz的頻帶來考慮。有時候要故意減慢邊緣時間,許多高速IC其驅動器的充電機輸出斜率是可調的。
(三):0歐姆電阻、磁珠、電感的應用
一、0歐姆電阻
充電機充電電路設計中常見到0歐的電阻,大家往往會很迷惑:既然是0歐的電阻,那就是導線,為何要裝上它呢?還有這樣的電阻市場上有賣嗎?其實0歐的電阻還是蠻有用的。大概有以下幾個功能,其最重要且經常用的功能是:
重點介紹:模擬地和數字地單點接地
只要是地,最終都要接到一起,然后入大地。如果不接在一起就是“浮地”,存在壓差,容易積累電荷,造成靜電。地是參考0電位,所有充電機充電電壓都是參考地得出的,地的標準要一致,故各種地應短接在一起。人們認為大地能夠吸收所有電荷,始終維持穩定,是最終的地參考點。雖然有些板子沒有接大地,但發電廠是接大地的,板子上的充電電源最終還是會返回發電廠入地。如果把模擬地和數字地大面積直接相連,會導致互相干擾。不短接又不妥,理由如上有四種方法解決此問題:
①、用磁珠連接;
②、用充電機電容連接;
③、用電感連接;
④、用0歐姆電阻連接。
區別:
①、磁珠的等效充電機充電電路相當于帶阻限波器,只對某個頻點的噪聲有顯著抑制作用,使用時需要預先估計噪點頻率,以便選用適當型號。對于頻率不確定或無法預知的情況,磁珠不合。
②、充電機電容隔直通交,造成浮地。
③、電感體積大,雜散參數多,不穩定。
④、0歐電阻相當于很窄的電流通路,能夠有效地限制環路電流,使噪聲得到抑制。電阻在所有頻帶上都有衰減作用(0歐電阻也有阻抗),這點比磁珠強。
0 歐姆電阻的其它作用
①、在充電機充電電路中沒有任何功能,只是在充電機PCB上為了調試方便或兼容設計等原因。
②、可以做跳線用,如果某段線路不用,直接不貼該電阻即可(不影響外觀)。
③、在匹配充電機充電電路參數不確定的時候,以0歐姆代替,實際調試的時候,確定參數,再以具體數值的元件代替。
④、測某部分充電機充電電路的耗電流的時候,可以去掉0ohm電阻,接上電流表,這樣方便測耗電流。、
⑤、布線時,如果實在布不過去了,也可以加一個0歐的電阻、
⑥、在高頻信號下,充當電感或充電機電容。(與外部充電機充電電路特性有關)電感用,主要是解決EMC問題。如地與地,充電電源和IC、Pin間、
⑦、單點接地(指保護接地、工作接地、直流接地在設備上相互分開,各自成為獨立系統。)、
⑧、熔絲作用、
⑨、跨接時用于電流回路
當分割電地平面后,造成信號最短回流路徑斷裂,此時,信號回路不得不繞道,形成很大的環路面積,電場和磁場的影響就變強了,容易干擾/被干擾。在分割區上跨接0歐電阻,可以提供較短的回流路徑,減小干擾。
⑩、配置充電機充電電路
一般,產品上不要出現跳線和撥碼開關。有時用戶會亂動設置,易引起誤會,為了減少維護費用,應用0歐電阻代替跳線等焊在板子上。空置跳線在高頻時相當于天線,用貼片電阻效果好。
⑾、其他用途
布線時跨線、調試/測試用、臨時取代其他貼片充電機器件、作為溫度補償充電機器件,更多時候是出于EMC對策的需要。另外,0歐姆電阻比過孔的寄生電感小,而且過孔還會影響地平面(因為要挖孔),還有就是不同尺寸0歐電阻允許通過電流不同,一般0603的1A,0805、的2A,所以不同電流會選用不同尺寸的。還有就是為磁珠、電感等預留位置時,得根據磁珠、電感的大小還做封裝,所以0603、0805等不同尺寸的都有了。
附:1歐姆電阻的作用
1歐姆電阻在充電機充電電路中經常是用來測試的,比如,需要測一個充電機充電電路中的電流時,我們可以在該充電機充電電路中串一個1歐姆電阻,測量其兩端的充電機充電電壓即是該充電機充電電路的電流(I=U/R,因為R=1,所以測出的充電機充電電壓值即是電流值)。
二、磁珠:
磁珠專用于抑制信信號線、充電電源線上的高頻噪聲和尖峰干擾,還具有吸收靜電脈沖的能力。磁珠是用來吸收超高頻信號,象一些RF充電機充電電路,PLL,振蕩充電機充電電路,含超高頻存儲器充電機充電電路(DDR,SDRAM,RAMBUS等)都需要在充電電源輸入部分加磁珠,而電感是一種蓄能元件,用在LC振蕩充電機充電電路,中低頻的濾波充電機充電電路等,其應用頻率范圍很少超過50MHZ。、磁珠有很高的電阻率和磁導率,等效于電阻和電感充電機串聯,但電阻值和電感值都隨頻率變化。
磁珠的功能:主要是消除存在于傳輸線結構(充電機充電電路)中的RF噪聲,RF能量是疊加在直流傳輸電平上的交流正弦波成分,直流成分是需要的有用信號,而射頻RF能量卻是無用的電磁干擾沿著線路傳輸和輻射(EMI)。要消除這些不需要的信號能量,使用片式磁珠扮演高頻電阻的角色(衰減器),該充電機器件允許直流信號通過,而濾除交流信號。通常高頻信號為30MHz以上,然而,低頻信號也會受到片式磁珠的影響。
磁珠有很高的電阻率和磁導率,它等效于電阻和電感充電機串聯,但電阻值和電感值都隨頻率變化。、它比普通的電感有更好的高頻濾波特性,在高頻時呈現阻性,所以能在相當寬的頻率范圍內保持較高的阻抗,從而提高調頻濾波效果。
作為充電電源濾波,可以使用電感。磁珠的充電機充電電路符號就是電感但是型號上可以看出使用的是磁珠在充電機充電電路功能上,磁珠和電感是原理相同的,只是頻率特性不同罷了。
注:磁珠的單位是歐姆,而不是亨利,這一點要特別注意。
三、電感
電感是閉合回路的一種屬性。當線圈通過電流后,在線圈中形成磁場感應,感應磁場又會產生感應電流來抵制通過線圈中的電流。這種電流與線圈的相互作用關系稱為電的感抗,也就是電感,單位是“亨利(H)”。
注:關于電感只在此簡要介紹,此內容會在后文中體現。
磁珠和電感的區別
電感是儲能元件,而磁珠是能量轉換(消耗)充電機器件。電感多用于充電電源濾波回路,側重于抑止傳導性干擾;磁珠多用于信號回路,主要用于EMI方面。磁珠用來吸收超高頻信號,象一些RF充電機充電電路,PLL,振蕩充電機充電電路,含超高頻存儲器充電機充電電路(DDR,SDRAM,RAMBUS等)都需要在充電電源輸入部分加磁珠,而電感是一種儲能元件,用在LC振蕩充電機充電電路、中低頻的濾波充電機充電電路等,其應用頻率范圍很少超過50MHz。在充電機充電電路功能上,磁珠和電感是原理相同的,只是頻率特性不同罷了。
(四):充電機電容的應用
注:主要用于充電電源濾波、信號濾波、信號耦合、諧振、濾波、補償、充放電、儲能、隔直流等充電機充電電路中。以下介紹基于充電機電容常用功能,詳細介紹各功能應用。
充電機電容特性:通交流阻直流,通高頻阻低頻!
充電機電容在大家平時的充電機充電電路設計中是不可缺少的,但是很多的人都會進入一個充電機電容使用的誤區,就是充電機電容的容值越大越好,濾波效果越好。其實并不是這樣的,簡單的說,就是大容值充電機電容濾低頻噪聲,小容值充電機電容濾高頻噪聲。
電 容的工作的實質是充電和放電的過程。以充電機電容不存儲任何電量為初始狀態,大容值的充電機電容在充電機充電電路中達到與充電機充電電路中的充電機充電電壓平衡需要充入的電荷量就要多,就需要更長的 時間,低頻噪聲能夠滿足其時間上的要求,但如果放在高頻率噪聲的充電機充電電路中,頻率高,大容值充電機電容的充放電反應不過來,達不到濾波的目的,這時候就要采用小容值 的充電機電容。小容值的充電機電容,充放電時間短,能夠滿足濾波的目的。總之,濾波的頻率隨充電機電容值的增大而減少。所以在使用時要根據自己的充電機充電電路的需要選取合適的容值, 達到想要的濾波目的,又減少了成本。
在充電機充電電路中最常見到的充電機電容使用方法是“去耦充電機電容”和“旁路充電機電容”。作為無源元件之一的充電機電容,其作用不外乎以下幾種:
1、應用于充電機充電電路,實現旁路、去藕、濾波和儲能方面充電機電容的作用,下面分類詳述之:
① 濾波
濾 波是充電機電容的作用中很重要的一部分。幾乎所有的充電機充電電路中都會用到。從理論上(即假設充電機電容為純充電機電容)說,充電機電容越大,阻抗越小,通過的頻率也越高。但實際上超 過1uF 的充電機電容大多為電解充電機電容,有很大的電感成份,所以頻率高后反而阻抗會增大。有時會看到有一個充電機電容量較大電解充電機電容并聯了一個小充電機電容,這時大充電機電容通低頻,小充電機電容 通高頻。充電機電容越大低頻越容易通過,充電機電容越小高頻越容易通過。
以上圖為例:C5將濾除前一級U2充電機輸出中的低頻成分、C7濾除其高頻成分,C3、C4類似。
曾 有網友將濾波充電機電容比作“水塘”。由于充電機電容的兩端充電機充電電壓不會突變,由此可知,信號頻率越高則衰減越大,可很形象的說充電機電容像個水塘,不會因幾滴水的加入或蒸發而 引起水量的變化。 充電機電容把充電機充電電壓的變動轉化為電流的變化,頻率越高,峰值電流就越大,從而緩沖了充電機充電電壓。注:濾波就是充電,放電的過程。
② 旁路
旁路充電機電容一般接在信號端與地之間,主要功能是產生一個交流分路,從而消去進入易感區的那些不需要的能量。
旁 路充電機電容一般作為高頻旁路充電機器件來減小對充電電源模塊的瞬態電流需求。通常鋁電解充電機電容和鉭充電機電容比較適合作旁路充電機電容,其充電機電容值取決于充電機PCB 板上的瞬態電流需求,一般在10 至470μF 范圍內。若充電機PCB 板上有許多集成充電機充電電路、高速開關充電機充電電路和具有長引線的充電電源,則應選擇大容量的充電機電容。旁路充電機電容是為本地充電機器件提供能量的儲能充電機器件,它能使穩壓器的充電機輸出均勻化,降低 負載需求。就像小型可充電電池一樣,旁路被充電,并向充電機器件進行放電。
注:為盡量減少阻抗,旁路充電機電容要盡量靠近負載充電機器件的供電充電電源管腳和地管腳。這能夠很好地防止輸入值過大而導致地電位抬高和噪聲。
③ 去藕
去耦充電機電容實際上是根據充電機電容的使用的實際效果來命名的,一般接在充電電源線和地線之間,起作用主要有兩方面:濾波作用和蓄能作用。
具體的作用結合以下幾點來解釋:
1、 當充電電源引進充電機充電電路時,充電電源的充電機充電電壓不是恒定的,是處在一個相對穩定的狀態,其中帶有很多的噪聲,如果讓這些噪聲進入到充電機充電電路中就會對充電機充電電路造成影響,特別是對充電機充電電壓 敏感的充電機器件對充電機充電電路充電機充電電壓的穩定性要求更高,以及有用到作為參考充電機充電電壓的一端,影響其精確性,所以加充電機電容能能保證充電機充電電路的線性關系。(簡單的理解就是充電機充電電壓多了我就 吸收,少了我就補充,保持在一個平衡的狀態)
2、有源充電機器件在開關時產生高頻的開關噪聲,將會沿著充電電源線傳播,這時充電機電容提供一個局部的直流充電電源給有源充電機器件,以減少開關噪聲在充電電源線的傳播,并將噪聲接引到地。
3、 在空間中存在很多的電磁波,往往會干擾到芯片工作的穩定性,芯片周圍的去耦充電機電容能夠很好的濾除這些干擾,從另一方面說,高頻充電機充電電路中,導線產生的電感效應對電流的阻礙作用是很大的,會導致電流不足,如果充電機器件在這時候剛好就需要足夠的電流驅動,就不能及時供給,這時,去耦充電機電容中儲存的能量就能及時的補充這些不 足,保證充電機器件正常的工作。
注:在充電機充電電路充電機充電電路中,去耦充電機電容和旁路充電機電容都是起到抗干擾的作用,充電機電容所處的位置不同,就是稱呼的不一樣,旁路是把輸入信號中的干擾作為濾除對象,而去耦是把充電機輸出信號的干擾作為濾除對象,防止干擾信號返回充電電源,這是他們的本質區別。
④ 儲能
儲 能型充電機電容器通過整流器收集電荷,并將存儲的能量通過變換器引線傳送至充電電源的充電機輸出端。充電機充電電壓額定值為40~450VDC、充電機電容值在220~150 000uF之間的鋁電解充電機電容器(如EPCOS公司的 B43504或B43505)是較為常用的。根據不同的充電電源要求,充電機器件有時會采用充電機串聯、并聯或其組合的形式, 對于功率級超過10KW的充電電源,通常采用體積較大的罐形螺旋端子充電機電容器。
2、應用于信號充電機充電電路,主要完成耦合、振蕩/同步及時間常數的作用:
① 耦合
舉 個例子來講,晶體管放大器發射極有一個自給偏壓電阻,它同時又使信號產生壓降反饋到輸入端形成了輸入充電機輸出信號耦合,這個電阻就是產生了耦合的元件,如果在 這個電阻兩端并聯一個充電機電容,由于適當容量的充電機電容器對交流信號較小的阻抗,這樣就減小了電阻產生的耦合效應,故稱此充電機電容為去耦充電機電容。
② 振蕩/同步
包括RC、LC振蕩器及晶體的負載充電機電容都屬于這一范疇。
③ 時間常數
這就是常見的 R、C 充電機串聯構成的積分充電機充電電路。當輸入信號充電機充電電壓加在輸入端時,充電機電容(C)上的充電機充電電壓逐漸上升。而其充電電流則隨著充電機充電電壓的上升而減小。電流通過電阻(R)、充電機電容(C)的特性通過下面的公式描述:
(五):電感的應用
一、電感的定義:
電感是導線內通過交流電流時,在導線的內部及其周圍產生交變磁通,導線的磁通量與生產此磁通的電流之比。
當電感中通過直流電流時,其周圍只呈現固定的磁力線,不隨時間而變化;可是當在線圈中通過交流電流時,其周圍將呈現出隨時間而變化的磁力線。根據法拉弟電磁感應定律——磁生電來分析,變化的磁力線在線圈兩端會產生感應電勢,此感應電勢相當于一個“新充電電源”。當形成閉合回路時,此感應電勢就要產生感應電流。由楞次定律知道感應電流所產生的磁力線總量要力圖阻止原來磁力線的變化的。由于原來磁力線變化來源于外加交變充電電源的變化,故從客觀效果看,電感線圈有阻止交流充電機充電電路中電流變化的特性。電感線圈有與力學中的慣性相類似的特性,在電學上取名為“自感應”,通常在拉開閘刀開關或接通閘刀開關的瞬間,會發生火花,這就是自感現象產生很高的感應電勢所造成的。
總之,當電感線圈接到交流充電電源上時,線圈內部的磁力線將隨電流的交變而時刻在變化著,致使線圈不斷產生電磁感應。這種因線圈本身電流的變化而產生的電動勢 ,稱為“自感電動勢”。
由此可見,電感量只是一個與線圈的圈數、大小形狀和介質有關的一個參量,它是電感線圈慣性的量度而與外加電流無關。
二、電感的作用
基本作用:濾波、振蕩、延遲、陷波、儲能、互感等
形象說法:通直流,阻交流
細化解說:在電子線路中,電感線圈對交流有限流作用,它與電阻器或充電機電容器能組成高通或低通濾波器、移相充電機充電電路及諧振充電機充電電路等;變壓器可以
進行交流耦合、變壓、變流和阻抗變換等。
三、電感的應用
電感元件產生電動勢總是組織線圈中的電流變化的,故電感元件對電流有阻力作用,阻力的大小用感抗XL來衡量。感抗XL與交流電的頻率及電感量的大小有關。感抗的這種關系可用下式表示,即:
XL=2∏fL,式中:f——交流電頻率(Hz) L——電感元件的電感量(H)
從上式可以看出,電感元件在低頻時XL較小,通過直流電時,由于f=0,故XL=0,僅線圈直流電阻起作用,因此電阻很小,近似電感元件短路。所以,電感元件在直流充電機充電電路中一般不用其感抗性能當電感元件,在高頻下工作時,XL很大,近似開路。電感元件的這種特性與充電機電容器正好相反,所以利用電感、充電機電容就可組成各種高頻、低頻濾波器、調諧回路、選頻充電機充電電路、振蕩回路、延遲回路及阻流器等,在充電機充電電路中發揮著重要作用。
下面舉出一些電感元件在充電機充電電路中的應用實例。
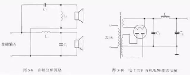
1. 分頻網絡
左圖是音響充電機充電電路的分頻充電機充電電路圖。電感線圈L1和L2為空心密繞線圈,它們與C1、C2組成分頻網絡,對高低音進行分頻,以改善放音效果。
2. 濾波充電機充電電路
右圖是電子管擴音機的充電電源濾波充電機充電電路圖。圖中L為插有硅鋼片的鐵心線圈,又稱為低頻扼流圈。它在充電機充電電路中的作用是阻止參與交流電通過,而僅讓直流電通過。
3. 選頻與阻流
下圖所示充電機充電電路是單管半導體收音機充電機充電電路。其中VT,為高頻半導體管,它是用來進行放大的L1為天線線圈,它在磁棒上用多股導線繞制而成的。L1與C1、C2組成并聯諧振充電機充電電路,對磁棒天線接收到的無線電信號進行選頻,選出的信號由L1感應到L2,由VT1進行放大,放大了的信號送到L3,L3為一固定電感器,它的電感量為3mH,其作用是利用感抗阻止高頻信號進入耳機,而只讓音頻信號通過,因此把L3稱為高頻阻流圈。L3對500kHz高頻信號的感抗很大,而L3對10kHz低頻信號的感抗很小,只有音頻信號可以通暢地經過L3到達耳機,從而使我們可以聽到電臺的播音。
4. 與充電機電容器組成振蕩回路
下圖所示充電機充電電路是超外差半導體收音機中的變頻器充電機充電電路。L4為振蕩線圈,它與C1b組成本機振蕩回路,L3為反饋線圈。本機振蕩的信號由C2傳送入VT1發射極,與由L1、C1a選擇出來的廣播信號在VT1內進行混頻,混頻后的信號從集電極充電機輸出,并由中頻變壓器T2檢出465kHz中頻信號送往中頻放大器。
5. 補償充電機充電電路
利用電感器的感抗隨頻率變化的特性,可進行頻率補償。下圖是視放充電機充電電路,某高頻補償充電機充電電路由L15、L16與VT15的集電極負載R80充電機串聯,使總的負載阻抗為Z=R80+XL16,頻率越高,感抗XL16越大,使高頻增益增大。同時L16與顯像管的輸入充電機電容和分布充電機電容形成并聯諧振。選取合適的L16值,使其諧振在放大器增益衰減的頻率上,可以提高諧振點上的增益。L15充電機串聯在VT15與顯像管陰極之間,當頻率增加時,感抗XL15增大,使R80與XL15的并聯阻抗增大,即高頻負載電阻增加,也會起到提高高頻增益的作用。
6. 延遲作用
電感線圈在充電機充電電路中還可起到延遲作用,使充電機輸出的信號與輸入的信號基本不變,而只使充電機輸出延遲一段時間,即信號的幅度不變,而僅相位發生變化。
下圖所示充電機充電電路是亮度延遲線的典型應用充電機充電電路,其中DL301為亮度延遲線。亮度延遲線為特殊的電感充電機器件,它的電感量由延遲時間和信號頻率確定
為了保證彩色電視信號中的亮度信號與色度信號疊加同步,亮度延遲線會將亮度信號延遲0.6us。
附:電感線圈與變壓器的區別

- 上一篇:充電機充電蓄電池內部短路原因以及處理方法方案 2017/7/17
- 下一篇:直流穩壓電源:用發光二極管制作可調直流穩壓電源 2017/7/17
