低壓大電流直流電源DC/直流電源DC變換器拓撲分析
1 引言
目前對低壓大直流電源電流直流電源DC/ 直流電源DC 變換器的研究方興未艾。如何選擇合適的拓撲直流電源電路是其首要任務。從拓撲、應用方面系統地論述了低壓大直流電源電流技術近期的發展,闡述了各種拓撲直流電源電路的特點及用途并進行了分析比較。同時,詳細地介紹了其關鍵的同步整流技術及其各種驅動方法。
隨著電子技術的迅速發展,以及各種微處理器、IC 芯片和數字信號處理器的普及應用,對低壓大直流電源電流輸出的低壓變換器的研究與應用成為日益重要的課題。在低直流電源電壓輸出的情況下,一般的二極管整流很難達到較高效率,需采用同步整流技術,這就使得同步整流成為低壓大直流電源電流技術中的關鍵技術。另外,如何選擇合適的拓撲,使變換器的性能最優化,也是一個極其重要的問題。
首先分別從直流電源變壓器的初級和次級對各種基本拓撲進行分析比較,分別得出初級和次級適合于低壓大直流電源電流的優化拓撲,然后進行組合,列舉了3 種典型的拓撲,最后對優化的組合作進一步的比較分析。
2 基本拓撲及其優缺點分析
以直流電源變壓器為界,此類變換器的初級拓撲可從其所能傳送的功率以及拓撲結構的復雜程度等方面進行分析。在提高低壓大直流電源電流變換器的效率中顯得尤為重要的是其次級的拓撲。本文首先從提高效率的角度對其進行分析,然后綜合考慮其結構復雜性和驅動方式等的問題。
2. 1 直流電源變壓器初級拓撲的優選
相對于升壓型變換器來說,降壓型變換器更加適用于低壓大直流電源電流變換器。其直流電源變壓器初級的基本拓撲主要可用直流電源正激式、反激式、推挽式、半橋式和全橋式等5 種。但是,其中的反激式變換器顯然不適合低壓大直流電源電流的要求,因為它的輸出紋波較大,直流電源變壓器漏感引起較大的直流電源電壓尖峰,功率不大(150W 以下) ,變換器效率不高,因而只能在直流電源電壓和負載調整率要求不高的場合使用。
2. 2 直流電源變壓器次級拓撲的優選
2. 2. 1 同步整流技術基本原理
同步整流技術旨在實現同步整流管柵極和源極之間的驅動信號與同步整流管漏極和源極之間開關同步。理想的同步整流技術可使同步整流管起到和整流二極管同樣的作用,即正向直流電源電壓導通,反向直流電源電壓關斷。在輸出為低直流電源電壓大直流電源電流的情況下,整流二極管的使用會引起很大的能量損耗,大大地降低直流電源效率。而用于同步整流的低直流電源電壓功率MOSFET 導通電阻非常小,正向導通壓降很低,例如15A 時只有0. 1V ,因此用低直流電源電壓功率MOSFET 代替整流二極管勢在必行。
2. 2. 2 直流電源變壓器次級3 種結構的比較
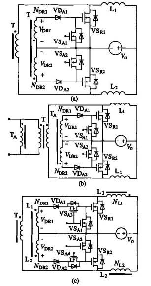
適用于低壓大直流電源電流輸出的直流電源變壓器次級結構有3種:直流電源正激式結構、中心抽頭式結構和倍流整流式結構(拓撲及其直流電源波形如圖1 、2 、3 所示)。
圖1 直流電源正激式結構與直流電源波形圖
圖2 中心抽頭式結構與直流電源波形圖
圖3 倍流整流式結構與直流電源波形圖
直流電源正激式結構相對于其它兩者結構最簡單,而且適用于低壓大直流電源電流的情況。與源于Buck 變換器的直流電源正激變換器類似,中心抽頭式結構是應用于推挽、全橋或半橋等雙端變壓隔離器的Buck 型變換器。由于其輸出濾波電感的直流電源電壓頻率是功率開關管的兩倍,所以在同樣條件下中心抽頭式所需要的濾波電感值明顯小于直流電源正激式的。
倍流整流結構不是源于Buck 變換器,但也起降壓作用。其基本工作原理如圖3 所示:當直流電源變壓器的次級直流電源電壓V sec為正時,VD1 關斷,電感L1 的直流電源電流IL1增大并流經負載,VD2 和直流電源變壓器次級形成回路,同時電感L2 的直流電源電流IL1減小,它流經負載和VD2 形成回路;當直流電源變壓器次級直流電源電壓V sec為負時,其過程也類似;而當直流電源變壓器的次級直流電源電壓為零時,則電感L1 和L2的直流電源電流分別流經VD1 和VD2 形成回路,即VD1 和VD2 同時導通。因此,雖然其濾波電感頻率與其功率主開關的相同,但是由于兩個濾波電感的紋波直流電源電流互相抵消了一部分( i11 + i12) ,其輸出濾波電容的紋波直流電源電流減小了,因此在倍流型結構中所需要的濾波電容比直流電源正激式的小得多。
由圖1b 可以看出,在每個開關周期內直流電源正激式結構的整流管的總導通損耗相當于輸出濾波電感直流電源電流一個周期內流過一個整流管的損耗;在中心抽頭或者倍流型結構中,由于雙端變換器的直流電源變壓器次級直流電源電壓在功率開關管的死區內為零,所以其兩個整流管在死區時間內同時導通,兩個整流管中流過的直流電源電流均為零,如圖2b 和圖3b 所示,因此,在功率開關管的關斷時間內,整流管的總損耗就大大減少了。
由圖2a 和圖3a 的對比可知,中心抽頭型和倍流型從元件個數和結構的復雜性都是差不多的,但在大直流電源電流的情況下,倍流型次級結構的性能更好。
可從以下幾點來說明: ①倍流型結構的電感直流電源電流和直流電源變壓器次級的直流電源電流只是中心抽頭型結構直流電源電流的一半,因而其導通損耗比中心抽頭的要小; ②倍流結構使大直流電源電流的直流電源電路相互連接數目最少,這就簡化了次級的布線,并因此減少了與布線有關的損耗; ③倍流結構中的直流電源變壓器和濾波電感可以公用一個磁芯,簡化了元件的包裝和減小了體積。
2. 2. 3 直流電源變壓器次級3 種結構的優選。
從以上分析可知,反激式的初級拓撲和中心抽頭型的次級結構相對來說有很多不足。經過優選,適用于低壓大直流電源電流的降壓型初級拓撲有直流電源正激式、推挽式和橋式,而在次級整流拓撲中,直流電源正激式和倍流式兩種更為適用于低壓大直流電源電流。但是,推挽式和橋式等雙端結構的初級拓撲顯然不能和直流電源正激式的次級拓撲組合;而且,非對稱的直流電源正激式初級結構雖然可以和倍流整流式的次級結構組合,但效果并不理想。
所以,可得出的優選拓撲組合是: ①初級直流電源正激式與次級直流電源正激式的組合; ②橋式與倍流式的組合; ③推挽式與倍流整流式的組合。即直流電源正激式變換器和帶中心抽頭的橋式變換器以及推挽直流電源正激式變換器。
3 直流電源正激式變換器
如圖4 所示,直流電源正激式變換器的優點主要在于結構簡單、次級紋波直流電源電流明顯衰減,紋波直流電源電壓低、功率開關管峰值直流電源電流較低、并聯工作容易、可以自動平衡、屬降壓型變換器。因此,它是最早應用于低壓大直流電源電流的變換器。但其缺點也很明顯: ①需要一個額外的磁復位直流電源電路來避免直流電源變壓器的磁飽和; ②對直流電源變壓器的設計要求比較高,要求其漏感小,以減小續流管在關斷過程中的損耗; ③同步整流中的死區過大使得其效率減小; ④整流管的體二極管不僅在導通的過程中增加了直流電源電路的損耗,而且在關斷過程中,由于其反向恢復特征,也會引起能量損耗,這個損耗與反向恢復電荷、頻率、次級直流電源電壓成正比關系。
圖4 直流電源正激式變換器結構圖
以上問題有的已經得到很好的解決。直流電源正激式變換器在其同步整流的驅動中多采用自驅動方式。比較典型的自驅動方式有3 種直流電源電路,如圖5 所示。
圖5 直流電源正激式變換器中同步整流管的3 種自驅動方式
另外,為了改善整流管的死區問題,混合驅動方式采用了的電荷保持技術,此驅動方式也不失為一種好的驅動方式。
在某實驗中,采用LCD 復位和電荷保持混合驅動方式的直流電源正激式變換器在48V 輸入,5V/10A 輸出時,最高效率可達92. 3 %.
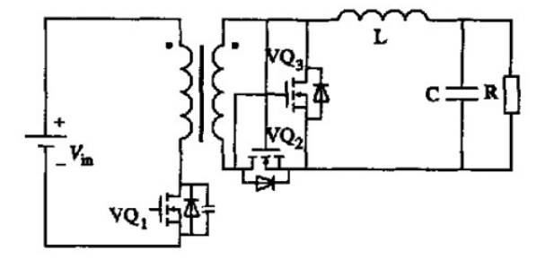
4 帶倍流整流的橋式變換器
對于橋式變換器,以半橋式為例分析其特點。
帶倍流整流的橋式變換器是近期提出的一種適用于低壓大直流電源電流的拓撲。它雖然不需要額外的磁復位直流電源電路,但它在結構上較為復雜。比較圖4 與圖6 可看出,在直流電源變壓器初級,它比直流電源正激式變換器多了一個開關管和兩個電容;在次級則多了一個電感。相對直流電源正激式而言,其主要問題在于: ①必須采取合適的方法來防止磁芯的飽和; ②對于倍流整流直流電源電路,其最大的問題在于共態導通而導致的短路問題,其后果極其嚴重; ③半橋式變換器的兩個MOSFET 也容易出現連通現象而引起短路; ④在開關轉換過程中,高直流電源電壓大直流電源電流的重疊現象會使直流電源電路的效率降低。
圖6 帶倍流整流的半橋式變換器結構圖
對于第4 個問題,因為采用開關速度較快的晶體管并不能完全解決問題,必須采用加速關斷技術,并且在開通和關斷時間的配合上進行優化,才能使效率進一步提高。前3 個問題是可以得到解決的,例如在直流電源變壓器初級串聯一個適當的電容就可以解決第一個問題;設定一定的死區,在直流電源變壓器次級直流電源電壓不為零的時間內保證了兩個整流管不同時導通就可以解決第二個問題;設定兩個功率管的死區,保證其在任意的時間內不同時導通就可以解決第3 個問題。
這種變換器雖有不足,但其優點是明顯的: ①半橋式變換器的直流電源變壓器工作于一、三象限,其效率比直流電源正激式的高出一半以上; ②它能承受更高的功率,在200~500W 之間; ③它不需要額外的磁復位直流電源電路;④次級倍流整流直流電源電路相對直流電源正激式直流電源電路來說,在相同紋波條件下,所需要的濾波電感之和更小,同時其動態響應速度得到提高; ⑤在同樣的輸出直流電源電流下,在初級功率管都關斷的死區時間內,整流管的損耗比直流電源正激式的大大減小了。
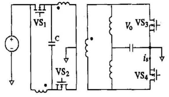
如前所述,當前的研究主要是解決整流管在開關轉換過程中出現的高直流電源電壓大直流電源電流的重疊現象,對此,驅動方式是至關重要的。圖7 列舉了3 種可行的驅動方式 .但是,這3 種方式并沒有使開關時間最優化。理想的方法是從效率角度考慮,分析直流電源電路效率與整流管關斷及功率管開通的時間配合關系曲線,然后再選擇適合的驅動方式。
在某實驗中采用附加繞組驅動方法后,帶倍流整流半橋的變換器在輸入為4 8V ,輸出為1 . 2~1. 65V/ 60~70A 情況下,最大效率超過84. 5 %.
圖7 帶倍流整流的橋式變換器中同步整流管的3 種驅動方式
5 推挽-直流電源正激式變換器
就常規推挽式結構來說,因功率開關管集電極應力兩倍于輸入直流電源電壓,而且其主直流電源變壓器的初級利用率亦不如半橋和全橋,其輸出直流電源電壓隨輸入直流電源電壓和負載變化而變化,故它適合在更低的輸入直流電源電壓下工作。在輸入為48V 條件下,其性能不如橋式結構。
新型的推挽直流電源正激式的結構,如圖8 所示。這個變換器工作在一、三兩個象限,所以其控制相對簡單并且瞬態響應速度快。這個變換器也適用于低壓大直流電源電流輸出的情況。其整流管的驅動方式與帶倍流整流的橋式結構是相似的。這種變換器在輸入為48V、輸出為1. 2V/ 60A 情況下,最大效率可達83. 6 %以上
圖8 新型推挽2直流電源正激式變換器結構圖
6 結束語
在各種基本直流電源電路拓撲的組合中,適合于低壓大直流電源電流輸出的優化結構是以上3 種典型變換器拓撲直流電源正激式結構、帶倍流整流的橋式結構和推挽2正--激式結構。在所有采用了同步整流技術的低壓大直流電源電流變換器中,存在的一個共同問題就是整流管的反向恢復問題。必須結合拓撲、整流管特性和驅動方式等方面對整流管的開關時間進行優化,才能使上述問題得到合理解決。
- 上一篇:半橋串聯型大功率DC60V車載直流電源研究 2017/6/15
- 下一篇:充電機:如何選購快速的充電機 2017/6/15
