MMC型柔性直流穩壓電源輸電系統起動電阻器的選擇研究
2018-10-24 12:11:35??????點擊:
隨著對直流穩壓電源輸電靈活控制的要求的增加,大量以模塊化多電平換流器(MMC)拓撲結構換流器的柔性直流穩壓電源輸電工程投入建設及運行。
國家“863”計劃項目南方電網南澳多端柔性直流穩壓電源輸電工程云南魯西背靠背柔性直流穩壓電源輸電工程,其換流器設備都是采用目前較為先進的MMC拓撲結構。而作為換流器起動前的預充電過程也得到了廣泛的研究,而采用充電電阻的不控充電方式得到了大量柔直工程的青睞。
本文研究了MMC換流器起動前的預充電過程,采用PSCAD仿真軟件,結合某國外柔直項目工程設計參數,搭建了整體的系統模型,根據不控充電的方式搭建了充電電阻的模型,通過仿真結果給出了起動電阻的選擇建議,并闡述了通過仿真的手段對柔直項目充電起動電阻器的選擇的指導意義。
我國近年來,基于電壓源換流器的高壓直流穩壓電源輸電系統(VSC-HVDC),也叫柔性直流穩壓電源輸電系統,得到了迅猛發展。從舟山的多端柔直項目到南澳多端柔直項目,再到云南魯西背靠背柔直項目、渝鄂柔直項目以及即將開展的張北柔直項目,不但規模越來越大,電壓等級越來越高,而且傳輸的電力容量也一次次的創世界新高。
柔性直流穩壓電源輸電的換流器是采用高壓大功率全控型電力電子器件。這種具有可控通斷能力的器件,可以使換流器在四象限運行[1],對大型風電場(尤其海上風電)、新能源并網,向無源網絡供電[2],以及不同區域的異步交流電網互聯有著顯著的優勢。
早期投運的VSC-HVDC工程多為兩電平和三電平拓撲,而這兩種拓撲在電壓高需要級聯很多級H橋時,在動態均壓、抗電磁干擾以及換流器的設計和布局上存在工程難點。
西門子公司為此設計了一種由多個子模塊串聯的模塊化多電平換流器(modular multilevel converter, MMC)。這種結構的換流器可以使全控型功率器件運行在較低的開關頻率,大大降低了電磁干擾和損耗;同時采用排序充放電電容的均壓策略,可以輕松實現數量龐大的級聯模塊的動態均壓;其模塊化結構,也便于安裝及日后的維護。因此,我國近幾年的柔直工程換流器均采用MMC結構。
正是由于MMC的特殊模塊化電力電子結構以及級聯模塊的數量非常龐大,因此MMC型換流器的電路等效模型非常復雜,并且隨級數的增加會導致誤差增大。這樣使用傳統的RC充電回路計算時間常數及預充電電阻就變的不準確。下文將介紹通過仿真建模手段解決上文的問題,對柔直工程充電電阻器的選擇提出行之有效的方法。

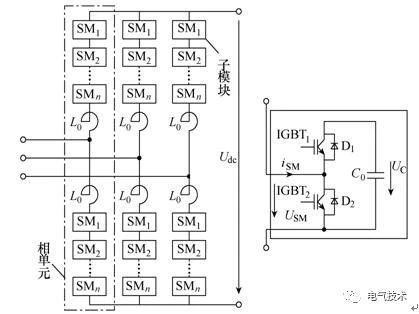
圖1 MMC基本結構
總結仿真結果見表2。

表2 充電電阻器不同阻值時的特性參考參數
結論
從表2可以得出以下結論:1)充電時不同阻值的電阻器端對地的最高電壓相同;2)阻值越小時充電時間越少;3)阻值越小時沖擊的能量越大;4)不同阻值時的吸收能量基本相同。
上面得出的結論其實是顯而易見的,本文的研究目的不是為了僅僅得出上述的簡單結論,而是想通過介紹這種方法,來展現如何為柔直工程起動電阻器的選擇提供參數依據。
目前對于換流閥制造公司,對換流閥充電還有一些非通用的限制條件,比如我公司設計的換流閥的功率單元,其驅動電能就是取自充電電能。如果充電過快,就會對驅動電路造成沖擊,導致對IGBT觸發脈沖錯位,從而使得換流閥無法進入待起動狀態。
因此規定當充電時,功率單元驅動電路的工作電壓從零上升到額定值得時間不小于0.5s,整體充電時間控制在10s左右。基于這個限制條件并結合表2,本工程充電電阻可選擇3000,650kJ。
表2的參數也可以通過計算給出,但在上文提到,MMC換流閥的結構比較復雜,每相串聯的功率模塊數目龐大,尤其是當要給出不同阻值時的各個參數時,計算復雜而且計算量很大。而采用仿真的手段就比較直觀而且簡單,目前任何柔直工程都會建立仿真模型進行各種靜態和動態的研究,起動電阻的選擇可以順便進行研究,建模時甚至無需搭建換流閥的控制部分,只需將換流閥整體閉鎖即可,簡單有效。
綜上所述,通過仿真手段對柔直項目充電電阻器的選擇有著重要的指導意義。
國家“863”計劃項目南方電網南澳多端柔性直流穩壓電源輸電工程云南魯西背靠背柔性直流穩壓電源輸電工程,其換流器設備都是采用目前較為先進的MMC拓撲結構。而作為換流器起動前的預充電過程也得到了廣泛的研究,而采用充電電阻的不控充電方式得到了大量柔直工程的青睞。
本文研究了MMC換流器起動前的預充電過程,采用PSCAD仿真軟件,結合某國外柔直項目工程設計參數,搭建了整體的系統模型,根據不控充電的方式搭建了充電電阻的模型,通過仿真結果給出了起動電阻的選擇建議,并闡述了通過仿真的手段對柔直項目充電起動電阻器的選擇的指導意義。
我國近年來,基于電壓源換流器的高壓直流穩壓電源輸電系統(VSC-HVDC),也叫柔性直流穩壓電源輸電系統,得到了迅猛發展。從舟山的多端柔直項目到南澳多端柔直項目,再到云南魯西背靠背柔直項目、渝鄂柔直項目以及即將開展的張北柔直項目,不但規模越來越大,電壓等級越來越高,而且傳輸的電力容量也一次次的創世界新高。
柔性直流穩壓電源輸電的換流器是采用高壓大功率全控型電力電子器件。這種具有可控通斷能力的器件,可以使換流器在四象限運行[1],對大型風電場(尤其海上風電)、新能源并網,向無源網絡供電[2],以及不同區域的異步交流電網互聯有著顯著的優勢。
早期投運的VSC-HVDC工程多為兩電平和三電平拓撲,而這兩種拓撲在電壓高需要級聯很多級H橋時,在動態均壓、抗電磁干擾以及換流器的設計和布局上存在工程難點。
西門子公司為此設計了一種由多個子模塊串聯的模塊化多電平換流器(modular multilevel converter, MMC)。這種結構的換流器可以使全控型功率器件運行在較低的開關頻率,大大降低了電磁干擾和損耗;同時采用排序充放電電容的均壓策略,可以輕松實現數量龐大的級聯模塊的動態均壓;其模塊化結構,也便于安裝及日后的維護。因此,我國近幾年的柔直工程換流器均采用MMC結構。
正是由于MMC的特殊模塊化電力電子結構以及級聯模塊的數量非常龐大,因此MMC型換流器的電路等效模型非常復雜,并且隨級數的增加會導致誤差增大。這樣使用傳統的RC充電回路計算時間常數及預充電電阻就變的不準確。下文將介紹通過仿真建模手段解決上文的問題,對柔直工程充電電阻器的選擇提出行之有效的方法。

圖1 MMC基本結構
總結仿真結果見表2。

表2 充電電阻器不同阻值時的特性參考參數
結論
從表2可以得出以下結論:1)充電時不同阻值的電阻器端對地的最高電壓相同;2)阻值越小時充電時間越少;3)阻值越小時沖擊的能量越大;4)不同阻值時的吸收能量基本相同。
上面得出的結論其實是顯而易見的,本文的研究目的不是為了僅僅得出上述的簡單結論,而是想通過介紹這種方法,來展現如何為柔直工程起動電阻器的選擇提供參數依據。
目前對于換流閥制造公司,對換流閥充電還有一些非通用的限制條件,比如我公司設計的換流閥的功率單元,其驅動電能就是取自充電電能。如果充電過快,就會對驅動電路造成沖擊,導致對IGBT觸發脈沖錯位,從而使得換流閥無法進入待起動狀態。
因此規定當充電時,功率單元驅動電路的工作電壓從零上升到額定值得時間不小于0.5s,整體充電時間控制在10s左右。基于這個限制條件并結合表2,本工程充電電阻可選擇3000,650kJ。
表2的參數也可以通過計算給出,但在上文提到,MMC換流閥的結構比較復雜,每相串聯的功率模塊數目龐大,尤其是當要給出不同阻值時的各個參數時,計算復雜而且計算量很大。而采用仿真的手段就比較直觀而且簡單,目前任何柔直工程都會建立仿真模型進行各種靜態和動態的研究,起動電阻的選擇可以順便進行研究,建模時甚至無需搭建換流閥的控制部分,只需將換流閥整體閉鎖即可,簡單有效。
綜上所述,通過仿真手段對柔直項目充電電阻器的選擇有著重要的指導意義。
- 上一篇:《電動汽車充電機充電基礎設施設計與安裝》國標18D705-2 2018/10/24
- 下一篇:電動汽車蓄電池充電機無線充電系統會危害人體健康嗎? 2018/10/24
