充電機設計工程師的實用技巧
一、反激式充電機中的鐵氧體磁放大器
對于兩個輸出端都提供實際功率(5 V 2 A 和 12 V 3 A,兩者都可實現± 5%調節)的雙路輸出反激式充電機來說,當充電機電壓達到 12 V 時會進入零負載狀態,而無法在 5%限度內進行調節。線性穩壓器是一個可實行的解決方案,但由于價格昂貴且會降低效率,仍不是理想的解決方案。我們建議的解決方案是在 12 V 輸出端使用一個磁放大器,即便是反激式拓撲結構也可使用。
為了降低成本,建議使用鐵氧體磁放大器。然而,鐵氧體磁放大器的控制充電機電路與傳統的矩形磁滯回線材料(高磁導率材料)的控制充電機電路有所不用。鐵氧體的控制充電機電路(D1 和 Q1)可吸收充電機電流以便維持輸出端供電。該充電機電路已經過全面測試。變壓器繞組設計為 5 V 和 13 V 輸出。該充電機電路在實現 12 V 輸出± 5%調節的同時,甚至還可以達到低于 1 W 的輸入功率(5 V 300 mW和12V零負載)
二、使用現有的消弧充電機電路提供過流保護
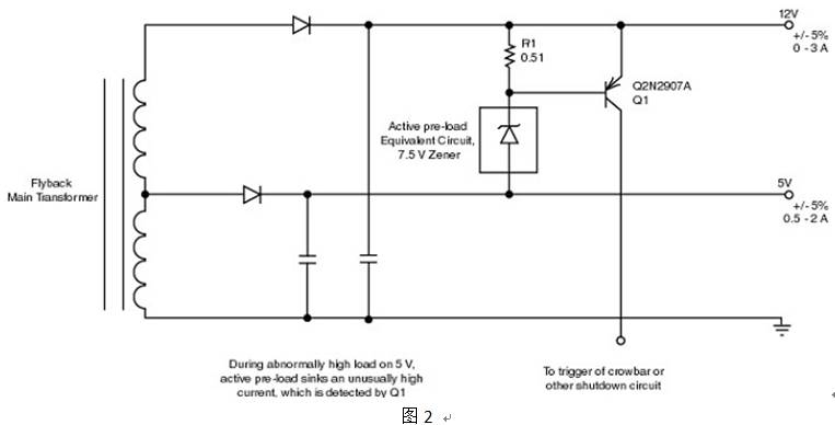
考慮一下 5 V 2 A 和 12 V 3 A 反激式充電機。該充電機的關鍵規范之一便是當 12 V 輸出端達到空載或負載極輕時,對 5 V 輸出端提供過功率保護(OPP)。這兩個輸出端都提出了± 5%的充電機電壓調節要求。
對于通常的解決方案來說,使用檢測電阻會降低交叉穩壓性能,并且保險絲的價格也不菲。而現在已經有了用于過壓保護(OVP)的消弧充電機電路。該充電機電路能夠同時滿足 OPP 和穩壓要求,使用部分消弧充電機電路即可實現該功能。
從圖 2 可以看出,R1 和 VR1 形成了一個 12 V 輸出端有源假負載,這樣可以在 12 V 輸出端輕載時實現 12 V 充電機電壓調節。在 5 V 輸出端處于過載情況下時,5 V 輸出端上的充電機電壓將會下降。假負載會吸收大量充電機電流。R1 上的充電機電壓下降可用來檢測這一大量充電機電流。Q1 導通并觸發 OPP充電機電路。
三、有源并聯穩壓器與假負載
在線充電機電壓 AC 到低壓 DC 的開關充電機產品領域中,反激式是目前最流行的拓撲結構。這其中的一個主要原因是其獨有的成本效益,只需向變壓器次級添加額外的繞組即可提供多路輸出充電機電壓。
通常,反饋來自對輸出容差有最嚴格要求的輸出端。然后,該輸出端會定義所有其它次級繞組的每伏圈數。由于漏感效應的存在,輸出端不能始終獲得所需的輸出充電機電壓交叉穩壓,特別是在給定輸出端因其它輸出端滿載而可能無負載或負載極輕的情況下更是如此。
可以使用后級穩壓器或假負載來防止輸出端充電機電壓在此類情況下升高。然而,由于后級穩壓器或假負載會造成成本增加和效率降低,因而它們缺乏足夠的吸引力,特別是在近年來對多種消費類應用中的空載和/或待機輸入功耗的法規要求越來越嚴格的情況下,這一設計開始受到冷落。圖 3中所示的有源并聯穩壓器不僅可以解決穩壓問題,還能夠最大限度地降低成本和效率影響。
該充電機電路的工作方式如下:兩個輸出端都處于穩壓范圍時,電阻分壓器 R14 和 R13 會偏置三極管 Q5,進而使 Q4 和 Q1 保持在關斷狀態。在這樣的工作條件下,流經 Q5 的充電機電流便充當 5 V輸出端很小的假負載。
5 V 輸出端與 3.3 V 輸出端的標準差異為 1.7 V。當負載要求從 3.3 V 輸出端獲得額外的充電機電流,而從 5 V 輸出端輸出的負載充電機電流并未等量增加時,其輸出充電機電壓與 3.3 V 輸出端的充電機電壓相比將會升高。由于充電機電壓差異約超過 100 mV,Q5 將偏置截止,從而導通 Q4 和 Q1 并允許充電機電流從 5 V 輸出端流到 3.3 V 輸出端。該充電機電流將降低 5 V 輸出端的充電機電壓,進而縮小兩個輸出端之間的充電機電壓差異。
Q1 中的充電機電流量由兩個輸出端的充電機電壓差異決定。因此,該充電機電路可以使兩個輸出端均保持穩壓,而不受其負載的影響,即使在 3.3 V 輸出端滿載而 5 V 輸出端無負載這樣最差的情況下,仍能保持穩壓。設計中的 Q5 和 Q4 可以提供溫度補償,這是由于每個三極管中的 VBE 溫度變化都可以彼此抵消。二極管 D8 和 D9 不是必需的器件,但可用于降低 Q1 中的功率耗散,從而無需在設計添加散熱片。
該充電機電路只對兩個充電機電壓之間的相對差異作出反應,在滿載和輕負載條件下基本不起作用。由于并聯穩壓器是從 5 V 輸出端連接到 3.3 V 輸出端,因此與接地的并聯穩壓器相比,該充電機電路的有源耗散可以降低 66%。其結果是在滿載時保持高效率,從輕負載到無負載的功耗保持較低水平。
四、采用 StackFET?的高壓輸入開關充電機
使用三相交流電進行工作的工業設備常常需要一個可以為模擬和數字充電機電路提供穩定低壓直流電的輔助充電機級。此類應用的范例包括工業傳動器、UPS 系統和能量計。
此類充電機的規格比現成的標準開關所需的規格要嚴格得多。不僅這些應用中的輸入充電機電壓更高,而且為工業環境中的三相應用所設計的設備還必須容許非常寬的波動—包括跌落時間延長、電涌以及一個或多個相的偶然丟失。而且,此類輔助充電機的指定輸入充電機電壓范圍可以達到57 VAC 至 580 VAC 之寬。
設計如此寬范圍的開關充電機可以說是一大挑戰,主要在于高壓 MOSFET 的成本較高以及傳統的 PWM 控制環路的動態范圍的限制。StackFET 技術允許組合使用不太昂貴的、額定充電機電壓為600V 的低壓 MOSFET 和 Power Integrations 提供的集成充電機控制器,這樣便可設計出簡單并能夠在款輸入充電機電壓范圍內工作的開關充電機。
該充電機電路的工作方式如下:充電機電路的輸入端充電機電流可以來自三相三線或四線系統,甚至來自單相系統。三相整流器由二極管 D1-D8 構成。電阻 R1-R4 可以提供浪涌充電機電流限制。如果使用可熔電阻,這些電阻便可在故障期間安全斷開,無需單獨配備保險絲。pi 濾波器由 C5、C6、C7、C8 和 L1 構成,可以過濾整流直流充電機電壓。電阻 R13 和 R15 用于平衡輸入濾波電容之間的充電機電壓。
當集成開關(U1)內的 MOSFET 導通時,Q1 的源端將被拉低,R6、R7 和 R8 將提供柵極充電機電流,并且 VR1 到 VR3 的結電容將導通 Q1。齊納二極管 VR4 用于限制施加給 Q1 的柵極源充電機電壓。當U1 內的 MOSFET 關斷時,U1 的最大化漏極充電機電壓將被一個由 VR1、VR2 和 VR3 構成的 450 V 箝位網絡箝位。這會將 U1 的漏極充電機電壓限制到接近 450 V。與 Q1 相連的繞組結束時的任何額外充電機電壓都會被施加給 Q1。這種設計可以有效地分配 Q1 和 U1 之間的整流輸入直流充電機電壓和反激式充電機電壓總量。電阻 R9 用于限制開關切換期間的高頻振蕩,由于反激間隔期間存在漏感,箝位網絡 VR5、D9 和 R10 則用于限制初級上的峰值充電機電壓。
輸出整流由 D1 提供。C2 為輸出濾波器。L2 和 C3 構成次級濾波器,以減小輸出端的開關紋波。
當輸出充電機電壓超過光耦二極管和 VR6 的總壓降時,VR6 將導通。輸出充電機電壓的變化會導致流經 U2內的光耦二極管的充電機電流發生變化,進而改變流經 U2B 內的晶體管的充電機電流。當此充電機電流超出 U1的 FB 引腳閾值充電機電流時,將抑制下一個周期。輸出穩壓可以通過控制使能及抑制周期的數量來實現。一旦開關周期被開啟,該周期便會在充電機電流上升到 U1 的內部充電機電流限制時結束。R11用于限制瞬態負載時流經光耦器的充電機電流,以及調整反饋環路的增益。電阻 R12 用于偏置齊納二極管 VR6。
IC U1 (LNK 304)具有內置功能,因此可根據反饋信號消失、輸出端短路以及過載對該充電機電路提供保護。由于 U1 直接由其漏極引腳供電,因此不需要在變壓器上添加額外的偏置繞組。C4 用于提供內部充電機去耦。
五、使用 TopSwitch?-GX 設計正激式轉換器
該充電機電路能確保變壓器在每個周期進行復位,因此可大大簡化使用 TopSwitch-GX 設計正激式轉換器的過程。
檢測充電機電路與正激式轉換器偏置繞組配合使用可以檢測關斷期間的充電機電壓波形。當此間充電機電壓較高時,信號會應用于 TopSwitch-GX L 引腳,使其斷開與 S 引腳的連接,從而抑制內部 MOSFET開始另一個導通周期。當偏置繞組上的充電機電壓信號開始衰弱時,即表示變壓器已經復位,L 引腳與 S 引腳相連,開關已開啟。
六、選擇好的整流二極管可以簡化 AC/DC 轉換器中的EMI濾波器充電機電路并降低其成本
要使 AC/DC 充電機符合 EMI 標準,就需要使用大量的EMI 濾波器器件,例如 X 電容和 Y 電容。AC/DC 充電機的標準輸入充電機電路都包括一個橋式整流器,用于對輸入充電機電壓進行整流(通常為 50-60Hz)。由于這是低頻 AC 輸入充電機電壓,因此可以使用如 1N400X 系列二極管等標準二極管,另一個原因是這些二極管的價格是最便宜的。
這些濾波器器件用于降低充電機產生的 EMI,以便符合已發布的 EMI 限制。然而,由于用來記錄 EMI 的測量只在 150 kHz 時才開始,而 AC 線充電機電壓頻率只有 50 或 60 Hz,因此橋式整流器中使用的標準二極管(參見圖6)的反向恢復時間較長,且通常與 EMI 產生沒有直接關系。
然而,過去的輸入濾波充電機電路中有時會包括一些與橋式整流器并聯的電容,用來抑制低頻輸入充電機電壓整流所造成的任何高頻波形。
如果在橋式整流器中使用快速恢復二極管,就無需使用這些電容了。當這些二極管之間的充電機電壓開始反向時,它們的恢復速度非常快(參見圖7)。這樣通過降低隨后的高頻關斷急變以及EMI,可以降低AC輸入線中的雜散線路電感激勵。由于 2 個二極管可以在每半個周期中實現導通,因此 4 個二極管中只需要 2 個是快速恢復類型即可。同樣,在每半個周期進行導通的兩個二極管中,只需要其中一個二極管具有快速恢復特性即可。

七、浮動恒流源允許超寬范圍的輸入充電機電壓
對Power Integrations的多數產品而言,數據手冊中限制的用于確保正常啟動和起作用的最小漏極充電機電壓為50 V。但是,如果通過外部充電機向旁路引腳饋電,則芯片可接收外部供電,且即使在較低的輸入充電機電壓下也可啟動和工作。
圖8所示的啟動充電機電路為浮動恒流源,它為整個輸入充電機電壓范圍內的 TinySwitch-III 的旁路(BP)引腳提供大約 600 μA 的恒流。恒流值由 R2 和 VR1 確定:
該充電機電路源自基本的單晶體管充電機電流源。該充電機電路采用了一個齊納二極管,為 Q2 (NPN)的基極引出端設置參考充電機電壓,并以此對流經電阻 R2 的固定充電機電壓進行編程,從而設置恒流值。然而,鑒于輸入充電機范圍的異常寬廣性,參考齊納二極管的偏置充電機電流在很大范圍內會有所差異。這將導致功率耗散增加及編程的恒流發生偏移。
要克服上述難題,需要由其他的充電機電流源(由 Q1 (PNP)與 R1 形成)提供偏置充電機電流。將等同于VBE 的恒壓強加于 R1,這樣可為整個工作范圍內的參考齊納二極管提供偏置充電機電流補償。
晶體管 Q2 以較低輸入充電機電壓提供恒流,而 Q1 則以較高的輸入充電機電壓提供恒流。圖 2 顯示了充電機電流流經 Q1 和 Q2 時的模擬結果。輸入充電機電壓達到大約 50 VDC 時,Q2 將提供恒流。輸入充電機電壓達到50 VDC 及以上時,經過 Q2 的充電機電流將減弱,而經過 Q1 的充電機電流則呈線性增加。輸入充電機電壓達到最大值 375 VDC 時,則主要由 Q1 提供恒流。R3 用于限制整個充電機電路在輸入充電機電壓最大時的輸入充電機電流。
非線性充電機電流由于齊納二極管 VR1 的非線性活動而上升。輸入充電機電壓大約為 60 VDC 時,齊納二極管開始有充電機電壓。
八、用軟啟動禁止低成本輸出來遏制充電機電流尖峰
為滿足嚴格的待機功耗規范要求,一些多路輸出充電機被設計為在待機信號為活動狀態時斷開輸出連接。通常情況下,通過關閉串聯旁路雙極晶體管(BJT)或 MOSFET 即可實現上述目的。對于低充電機電流輸出,如果在設計充電機變壓器時充分考慮到晶體管的額外壓降情況,則 BJT 可成為 MOSFET 的合適替代品,且成本更為低廉。
圖 1 0所示為簡單的 BJT 串聯旁路開關,充電機電壓為 12 V,輸出充電機電流強度為 100 mA,并帶有一超大電容(CLOAD)。晶體管 Q1 為串聯旁路元件,由 Q2 根據待機信號的狀態來控制其開關。電阻 R1 的值是額定的,這樣可確保 Q1 有足夠的基值充電機電流在最小 Beta 和最大的輸出充電機電流下以飽和的狀態工作。PI 建議額外添加一個電容器(Cnew),用以調節導通時的瞬態充電機電流。如果不添加 Cnew,Q1 在導通后即迅速進入電容性負載,并因而產生較大的充電機電流尖峰。為調節該瞬態劍鋒,需要增加VT1的容量,這便導致了成本的增加。
用作 Q1 額外“密勒電容”的 Cnew 可以消除充電機電流尖峰。該額外電容可限制 Q1 集電極的 dv/dt值。dv/dt 值越小,流入 Cload 的充電充電機電流就越少。為 Cnew 指定電容值,使得 Q1 的理想輸出 dv/dt 值與 Cnew 值相乘等于流入 R1 的充電機電流。
- 上一篇:電路設計中直流穩壓電源模塊的噪聲測試 2017/6/22
- 下一篇:直流穩壓電源:提高直流穩壓電源功率密度方法 2017/6/22
